Follow us
Products · Products · Products · Products · Products · Products · Products · Products · Products · Products · Products · Products · Products · Products · Products · Products ·

Low Assembly EGW-CA/SA Series Linear Guideway

Home · Products · Linear Guideway · Low Assembly EGW-CA/SA Series Linear Guideway
Low Assembly EGW-CA/SA Series Linear Guideway

Low Assembly EGW-CA/SA Series Linear Guideway

The EGW-CA/SA series linear guideway is a fusion product combining low-profile (low center of gravity) and wide-width designs. While significantly reducing the overall height of the slider to accommodate compact spaces, it substantially increases the width of both the guide rail and the slider. This unique "low and wide" structure gives it greater load capacity, higher rigidity, and superior resistance to torque compared to standard low-profile (EGH) guideways at the same height. It is specifically designed for special applications where space is limited but demanding load requirements exist.

Technology

The core value of the EGW series lies in "exchanging width for height, and intelligence for space," achieving a performance leap in low-profile spaces.

Performance Dimensions EGW-CA/SA Series (Low-profile, wide-width type) EGH-CA/SA Series (Standard Low-Profile Model) High-Assembly Wide-Span Type (HGW-CC/HC) Core Values
Core Positioning The heavy-duty specialist for compact spaces. A versatile solution for compact spaces. An ultra-heavy-duty solution with no height restrictions. Resolving the design dilemma of achieving both compact dimensions and high performance.
Space and Structure Low height, wide width. Maximises vertical space-saving whilst expanding horizontally to compensate for performance. Low height, standard width. Towering height, vast width. Opening up new possibilities for highly sensitive, heavy-duty applications.
Load Capacity High. The wide-width design increases the number of ball rows and contact area, resulting in a load capacity significantly higher than that of the EGH series of the same height, approaching or even matching the levels of some high-profile types. Good. Extremely tall. Maximising load-bearing performance within limited height constraints.
Rigidity (Torque Resistance) Strong. The widened design provides a larger moment arm for overturning resistance, delivering excellent lateral and torsional load rigidity. Average. Extremely strong. Ensuring the dynamic stability of low-profile structures under off-centre loads.
Smooth Operation Smooth. The combination of a wide support surface and a low centre of gravity ensures exceptionally smooth operation and excellent vibration resistance. Good. Exceptional. Enhancing the dynamic precision of compact, heavy-duty equipment.
Application Scenarios Compact motion units for large precision instruments, heavy-duty medical equipment, and space-constrained automated heavy-duty workstations. Suitable for general-purpose small-scale automation, electronic equipment and light-duty instruments. Large gantry machines, heavy machinery. Filling the market gap where heavy-duty precision guidance was previously unachievable in confined spaces.

Main Technical Parameters and Design
1. Design:
Increasing the width to compensate for the structural strength and torque capacity potentially lost due to reduced height is a classic application of the "area moment of inertia" principle in engineering.
2. Performance Characteristics:
At the same height specifications (e.g., 15mm, 20mm), the EGW's guide rail width and slider width are both greater than the EGH.
Typically provides medium preload levels to ensure high rigidity even in compact spaces.
3. Key Selection Criteria:
Height is a hard constraint: Confirm the maximum total installation height allowed by the equipment.
Width is an opportunity:  Given the height constraints, choose the widest possible EGW specification to obtain better load capacity and rigidity.
Comparative verification: Comparing the EGW's width-load curve with the EGH's height-load curve often reveals that EGW performs better at the same height.

Applications
The EGW-CA/SA series is an ideal choice for high-end applications where space and performance requirements are contradictory:
High-end semiconductor and panel equipment: Motion axes in photolithography machines and mass transfer equipment where height is limited but extremely high load and precision are required.
Heavy-duty medical imaging equipment: Precision slip rings or patient platforms in CT machines and MRI scanners that require large-range, stable, and low-profile movement.
Precision machining and inspection: Dual-exchange worktables in horizontal machining centers, and mobile bases for large precision optical inspection instruments.
Specialized automation: Automated assembly and testing platforms inside spacecraft or large vehicles where space is extremely valuable. The Low Assembly EGW-CA/SA Series Linear Guideway is a highly strategic product.  It's not simply a variation in size, but a precisely engineered response to specific pain points in high-end markets. Choosing the EGW series means your equipment design faces the dual challenges of limited space and demanding performance requirements, and you've successfully found the optimal solution by selecting the most suitable technology. It represents the cutting edge of linear guidance technology, moving towards higher integration and better space utilization.

Parameters


Model
No.
Dimensions
of Assembly
(mm)
Dimensions of Block
(mm)
Dimensions of Rail
(mm)
Mounting
Bolt for Rail
Basic
Dynamic
Load
Rating
Basic
Static
Load
Rating
Static Rated
Moment(kgf.m)
Weight
H H1 N W B B1 C L1 L K1 K2 G M T T1 H2 H3 WR HR D h d P E (mm) C(kN) C0(kN) MR
kN-m
Mp
kN-m
MY
kN-m
block
kg
Rail
kg/m
EGW15SA 24  4.5  18.5  52  41  5.5  - 23.1  41.1  14.8  3.5  5.7  M5 5.5  15  12.5  7.5  5.3  4.5  60  20  M4x16 5.35  9.40  0.08  0.04  0.04  0.12  1.25 
EGW15CA 26  39.8  57.8  10.15  7.83  16.19  0.13  0.10  0.10  0.21 
EGW20SA 28  19.5  59  49  - 29  51.2  18.75  4.15  12  M6 20  15.5  9.5  8.5  60  20  M5x16 7.23  12.74  0.13  0.06  0.06  0.19  2.08 
EGW20CA 32  48.1  70.3  12.3  10.31  21.13  0.22  0.16  0.16  0.32 
EGW25SA 33  25  73  60  6.5  - 35.5  59.7  21.9  4.55  12  M8 7.5  10  23  18  11  60  20  M6x20 11.40  19.50  0.23  0.12  0.12  0.35  2.67 
EGW25CA 35  59  83.2  16.15  16.27  32.40  0.38  0.32  0.32  0.59 
EGW30SA 42  10  31  90  72  - 41.5  71.9  26.75  12  M10 10  28  23  14  12  80  20  M8x25 16.42  28.10  0.40  0.21  0.21  0.62  4.35 
EGW30CA 40  70  100.4  21.05  23.70  47.46  0.68  0.55  0.55  1.04 
EGW35SA 48  11  33  100  82  - 45  75  28.5  12  M10 10  13  8.5  8.5  34  27.5  14  12  80  20  M8x25 22.66  37.38  0.56  0.31  0.31  0.84  6.14 
EGW35CA 50  78  108  20  33.35  64.84  0.98  0.69  0.69  1.45 

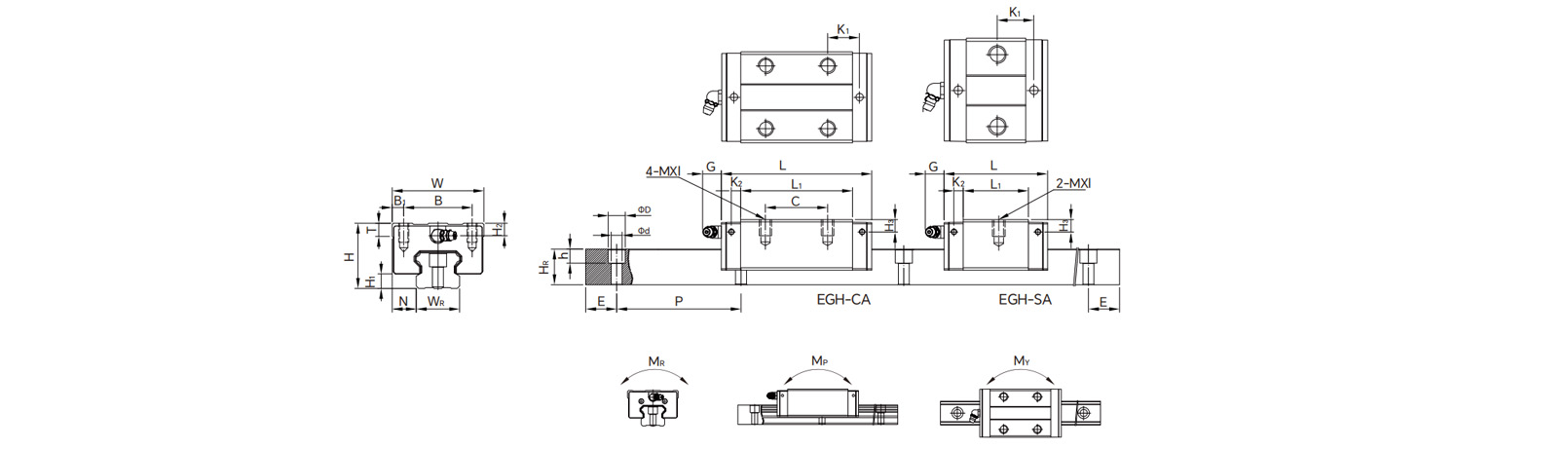
Drawings


Supports Product Combination Selection

Production Capacity

Cyclone Milling Machines

LWN160-6000mm Leistritz Cyclone milling machines imported directly from
Germany, the ball screw shaft precision can be C3, C5, and C7 the max length
can be 7000mm

Rolled Thread CNC Machines

PR-40CNC Profiroll rolled thread ball screw machines imported directly from
Germany the ball screw shaft precision can be C5, C7 -C10

Rolled Thread CNC Machines

ST-20.2 and ST-347.7 rolled thread ball screw machines from TaiWan.
The ball screw shaft precision can be C7 - C10

Ball Screw Assembly Workshop

We conduct nut assembly in a constant temperature workshop,  all workers
having decades of work experience and zero clearance between the screw
and nut.

Ball Screw Assembly Workshop

One ball screw shaft matches one ball screw nut. Because each ball screw
shaft has a very tiny different tolerance. There are dozens of different
ball sizes for different screw shaft.
Our ball screw shaft and nut can be interchanged with the Taiwan
TBI ball screw shaft and nut very well.