Main Technical Parameters and Design
Structural Analysis:
Elastomer: Uses wear-resistant polyurethane rods, with different hardness options available depending on load requirements. The elastic rods can be replaced individually, resulting in low maintenance costs.
Metal Parts: Typically made of ductile iron or steel, with a robust structure suitable for harsh environments.
Key Performance:
High Elastic Constant: Its torsional stiffness can be adjusted according to the hardness and number of elastic rods, providing different options from soft start to high rigidity.
Lubrication-free and maintenance-free: No lubrication is required, making it environmentally friendly.
Electrical Insulation: The polyurethane elastomer provides good insulation performance.
Selection Considerations:
Focus on peak torque (not just rated torque) to ensure it can withstand impact loads during equipment startup or jamming.
Clearly define the operating speed range to avoid failure due to centrifugal deformation of the elastomer at excessively high speeds.
Applications
The PXQ series is an ideal power transmission link for the following heavy industry and high-impact applications:
Heavy machinery: Transmission connections for mining crushers, ball mills, and rolling mills.
Power equipment: Motor and load connections for diesel generators, water pumps, and large fans.
Construction machinery: Drive parts for mixing plants, conveyors, and hoists.
Any industrial transmission system with severe misalignment, heavy load impact, and relatively low speed.
The PXQ Series Parallel Tangent Elastic Coupling is an outstanding representative of the "using flexibility to overcome rigidity" transmission philosophy. Through its unique parallel tangent force design, it elevates the buffering, compensation, and load-bearing capabilities of elastic couplings to a new level. Choosing the PXQ series means you are selecting a "tough yet flexible partner" for heavy-duty equipment facing demanding working conditions. It effectively protects expensive drive motors and load equipment from damage caused by shocks and deviations, significantly reducing downtime risks and maintenance costs, and serving as a reliable foundation for ensuring continuous and stable production in heavy industry.
Parameters
| Model No. |
d1/d2 pore size |
D (mm) |
L (mm) |
L1 (mm) |
L2 (mm) |
F (mm) |
H (mm) |
Screw size M |
Tightening torque (N.m) |
Rated torque (N.m) |
Maximum torque (N.m) |
Maximum speed (RPM) |
Moment of inertia (kg·m²) |
Static torsional stiffness (N.m/ rad) |
Permissible eccentricity (mm) |
Permissible deviation (° ) |
Axial runout (mm) |
Min (mm) |
Max (mm) |
| PXQ-D12L18.5 |
3 |
5 |
12 |
18.5 |
6 |
6.5 |
2.75 |
3.25 |
M2 |
1.5 |
0.5 |
1 |
10000 |
8.8*10-6 |
110 |
0.1 |
1.5 |
±0.2 |
| PXQ-D16L23 |
3 |
6 |
16 |
23 |
8 |
7 |
3.75 |
4.25 |
M3 |
1.5 |
0.5 |
1 |
9500 |
9.1*10-6 |
110 |
0.1 |
1.5 |
±0.2 |
| PXQ-D20L20 |
4 |
10 |
20 |
20 |
7.5 |
5 |
3.75 |
6.25 |
M3 |
1.5 |
1 |
2 |
7600 |
8.8*10-6 |
110 |
0.1 |
1.5 |
±0.2 |
| PXQ-D20L26 |
4 |
10 |
20 |
26 |
7.5 |
11 |
3.75 |
6.25 |
M3 |
1.5 |
1 |
2 |
7600 |
9.1*10-6 |
100 |
0.1 |
1.5 |
±0.2 |
| PXQ-D25L25 |
5 |
12 |
25 |
25 |
10 |
5 |
5 |
7.5 |
M3 |
1.5 |
2 |
4 |
6100 |
2.3*10-6 |
165 |
0.15 |
1.5 |
±0.2 |
| PXQ-D25L31 |
5 |
12 |
25 |
31 |
10 |
11 |
5 |
7.5 |
M3 |
1.5 |
2 |
4 |
6100 |
2.6*10-6 |
165 |
0.15 |
1.5 |
±0.2 |
| PXQ-D28L38 |
6 |
14 |
28 |
38 |
13 |
12 |
6.5 |
7.5 |
M4 |
3.5 |
3 |
6 |
5600 |
1.5*10-4 |
190 |
0.15 |
1.5 |
±0.2 |
| PXQ-D32L32 |
6 |
15 |
32 |
32 |
13 |
6 |
6.5 |
9.5 |
M4 |
3.5 |
4 |
8 |
5000 |
1.8*10-4 |
228 |
0.15 |
1.5 |
±0.2 |
| PXQ-D32L41 |
6 |
15 |
32 |
41 |
13 |
15 |
6.5 |
9.5 |
M4 |
3.5 |
4 |
8 |
5000 |
7.2*10-6 |
228 |
0.15 |
1.5 |
±0.2 |
| PXQ-D38L41 |
8 |
16 |
38 |
41 |
13 |
15 |
6.5 |
12.5 |
M5 |
3.5 |
7 |
14 |
4200 |
2.7*10-6 |
280 |
0.2 |
1.5 |
±0.2 |
| PXQ-D40L50 |
8 |
20 |
40 |
50 |
19.5 |
11 |
9.75 |
10.25 |
M5 |
3.5 |
8 |
16 |
3800 |
2.7*10-5 |
340 |
0.2 |
1.5 |
±0.2 |
| PXQ-D40L56 |
8 |
20 |
40 |
56 |
19.5 |
17 |
9.75 |
10.25 |
M5 |
3.5 |
8 |
16 |
3800 |
9.0*10-5 |
340 |
0.2 |
1.5 |
±0.2 |
| PXQ-D50L50 |
10 |
28 |
50 |
50 |
19.5 |
11 |
9.75 |
15.25 |
M6 |
6 |
20 |
40 |
3100 |
2.8*10-4 |
700 |
0.2 |
1.5 |
±0.2 |
| PXQ-D50L71 |
10 |
28 |
50 |
71 |
19.5 |
32 |
9.75 |
15.25 |
M6 |
6 |
20 |
40 |
3100 |
2.8*10-4 |
700 |
0.2 |
1.5 |
±0.2 |
| PXQ-D63L71 |
12 |
35 |
63 |
71 |
27 |
17 |
9.75 |
21.75 |
M8 |
8 |
35 |
70 |
3000 |
2.8*10-4 |
850 |
0.2 |
1.5 |
±0.2 |
| PXQ-D63L90 |
12 |
35 |
63 |
90 |
27 |
36 |
9.75 |
21.75 |
M8 |
8 |
35 |
70 |
3000 |
2.8*10-4 |
850 |
0.2 |
1.5 |
±0.2 |
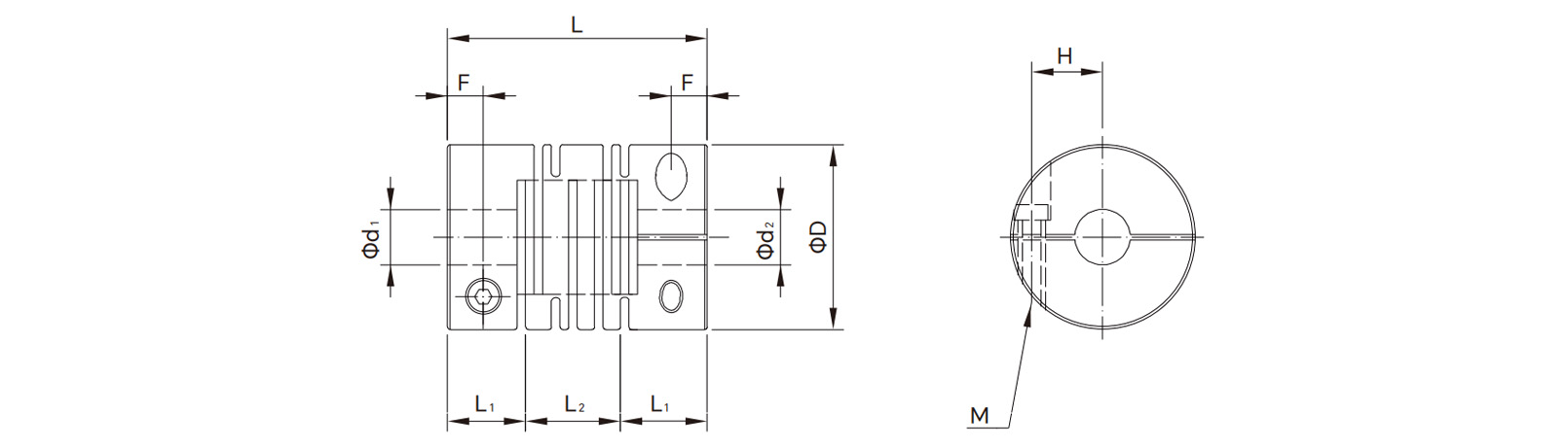
Drawings
