Follow us
Products · Products · Products · Products · Products · Products · Products · Products · Products · Products · Products · Products · Products · Products · Products · Products ·

BSG/DSG Series Aluminum Nut Housing

Home · Products · Coupling / Nut Housing · BSG/DSG Series Aluminum Nut Housing
BSG/DSG Series Aluminum Nut Housing

BSG/DSG Series Aluminum Nut Housing

The BSG/DSG Series Aluminum Nut Housing is a ball screw nut housing precision-machined from high-strength aluminum alloy. Its core function is to act as a standardized bridge, reliably securing different models of ball screw nuts (such as SFU and SFS series) to the worktable or slider of equipment. Thanks to its lightweight design, high rigidity, and excellent heat dissipation, this series is particularly suitable for automation equipment, robots, and precision instruments that require high speed, high acceleration, and low inertia.

Technology

Core Features and Advantages.

Key Dimensions Analysis and Selection Guide
Based on the parameter table you provided, the core installation dimensions are illustrated using a typical model as an example.

Characteristics BSG/DSG Series Aluminium Nut Mounts Traditional homemade steel mounts Summary of Core Values
Material and weight Made from high-strength aluminium alloy (e.g. 6061-T6), these mounts are extremely lightweight, effectively reducing the inertia of moving parts. These are typically made of carbon steel and are relatively heavy. Significantly improves dynamic response speed and reduces drive energy consumption.
Ease of installation Ready to install. Featuring standard mounting holes (e.g. P, W, Y dimensions) and a centring reference surface, they require no on-site machining or adjustment, significantly reducing assembly time. They require in-house design, machining, drilling and tapping, which involves a cumbersome process and makes alignment difficult. Standardised design simplifies integration and ensures assembly accuracy and consistency.
Precision and rigidity Precision machined with strict geometric and positional tolerances on critical mating surfaces (D-bore, H-base), ensuring accurate nut alignment, secure installation and no residual stress. Machining accuracy depends on the equipment and the skill of the machinists, making it prone to errors that can affect the service life and precision of the lead screw. Preserves the inherent performance of the lead screw system, with zero loss of transmission accuracy.
Heat dissipation and corrosion resistance The aluminium alloy offers excellent heat dissipation, aiding the removal of heat during operation. The surface is typically anodised for corrosion resistance and an attractive finish. Heat dissipation is slow, and they are susceptible to rust, requiring additional surface treatment. Enhances long-term operational stability and adapts to a wider range of environments.
Maintenance and compatibility Designed for specific nut models (e.g. SFU1616) with 100% compatibility. Can be directly replaced in the event of damage, ensuring simple maintenance. As they are custom-made for specific equipment, they lack versatility, and replacement requires remanufacturing. Reduces spare parts inventory and management costs, whilst facilitating easy maintenance.

Model Matching lead screws Core mounting hole dimensions Design Highlights
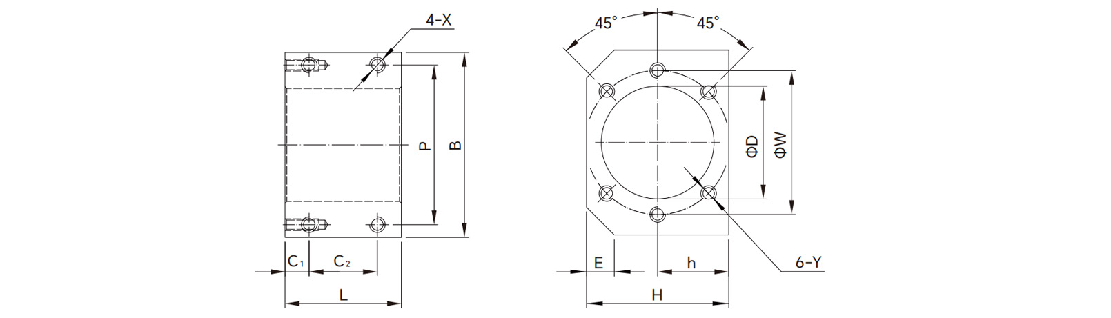
BSG1616 SFU1616, etc. P=45mm (main mounting hole spacing), W=42mm (side mounting hole spacing), Y=M4 (side thread) Reliable bidirectional securing is achieved via two holes at the bottom (P) and two holes on the sides (Y), preventing the nut from rotating.
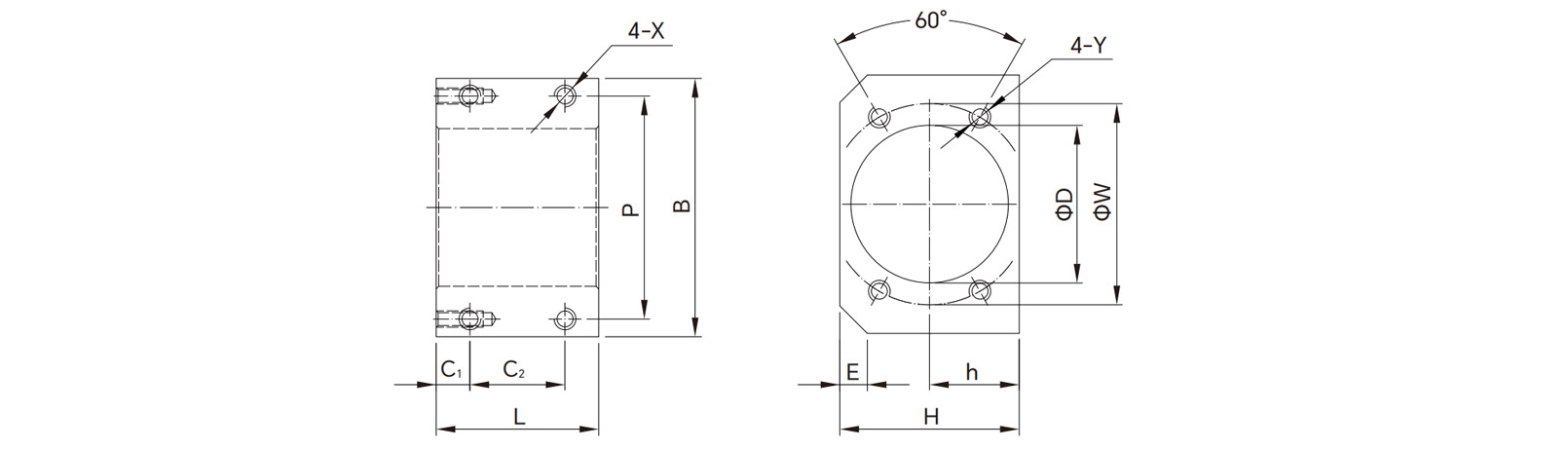
DSG16H SFU1605/1610/1616 P=40mm, W=38mm, Y=M5 The ‘H’-shaped design is typically compatible with nuts of various pitches, offering greater versatility. The 12 mm E-flange provides a precise alignment reference.

Three-Step Selection Method:
1. Confirm the nut: Determine the shape and installation dimensions of the ball screw nut you are using (corresponding to the "D" value in the table).
2. Match the model: Based on the nut model, find the perfectly matching nut housing model in the table (e.g., SFU1616 nut matches BSG1616 housing).
3. Verify space: Check the overall dimensions (B, H, L) and mounting hole positions (P, W) of the nut housing to ensure sufficient installation space on your equipment.

Applications
The BSG/DSG Series Aluminum Nut Housing is the ideal partner for achieving precise linear motion in the following equipment:
Industrial robots: Ball screw nut installation for robot joints and linear seventh axis (ground rail).
High-end automation: XY motion platforms for semiconductor packaging equipment, SMT placement machines, and precision laser cutting machines.
Precision instruments: High-precision positioning modules for biological testing equipment, optical adjustment platforms, and 3D printers.
Any scenario requiring efficient and precise conversion of rotary servo motor torque into linear motion.

The BSG/DSG Series Aluminum Nut Housing is far more than just a simple "fixing block." It is a carefully engineered motion optimization component that integrates lightweight design, high rigidity, easy installation, and standardization. Choosing the BSG/DSG series means choosing an efficient, reliable, and professional integration method that not only improves the dynamic performance and accuracy of your equipment but also significantly reduces overall costs from design to assembly, making it a wise choice for modern precision equipment manufacturing.

Parameters

Model No. Paired Model D B H h E L C1 C2 P X W Y
BSG1616 1616 32 55 40 20 6 27 6 15 45 M4 42 M4
BSG2020 2020  39  66  47  23.5  35  20  56  M5 50  M5
BSG2525 2525  47  80  55  27.5  34  7.5  20  68  M6 60  M6
BSG3232 3232  58  95  66  33  10  55  10  35  82  M8 74  M8

Model No. Paired Model D B H h E L C1 C2 P X W Y
DSG12H 1204
1205
1210
22.1
24.1
50  35  15  / 36  24  35  M5 32  M4
DSG16H 1605
1610
1616
1620
28  52  40  20  12  40  24  40  M5 38  M5
DSG20H 2005
2010
2020
36  62  44  22  12  40  24  48  M6 47  M6
DSG25H 2505
2510
2520
2525
40  66  48  24  13  40  24  50  M6 51  M6
DSG32H 3205
3210
3220
3232
50  86  62  31  17  40  24  66  M8 65  M8
DSG40H 4005
4010
4020
4040
63  100  70  35  19  40  24  80  M8 78  M8
DSG50H 5010
5020
5050
75  116  85  42.5  22  46  10  26  92  M8 93  M8

Drawings