Model Quick Reference and Selection Guide
The provided parameter table clearly distinguishes between two main types:
1. Standard Heavy-Duty Series (e.g., DSG1616, DSG2020...)
Features: Classic structure, strong versatility, suitable for most heavy-duty applications.
Matching Ball Screw: Directly corresponds to ball screws with the same lead and diameter (e.g., DSG2525 matches SFU2525).
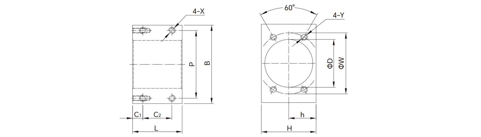
Key Dimensions: Pay attention to the total width B, total height H, and mounting hole distance P to confirm installation space.
2. "H" Type Enhanced Series (e.g., DSG16H, DSG20H...)
Features: Usually more compact or optimized for specific applications; one model is compatible with multiple leads at the same shaft diameter, offering better versatility.
Matching Ball Screw: One model covers multiple leads at the same shaft diameter (e.g., DSG16H is compatible with SFU1605/1610/1616).
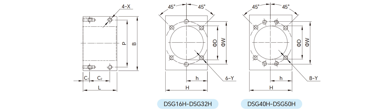
Key Dimensions: Note that the mounting hole distance may be smaller (e.g., P=40mm), suitable for heavy-duty designs with limited space.
Three-Step Selection Method:
1. Determine the Ball Screw: Clearly identify the ball screw model you are using (e.g., SFU2020) or the nut outer diameter D and installation requirements.
2. Select the Model: Find the corresponding model in the "Matching Ball Screw" column of the table to determine the DSG nut housing model.
3. Verify Space: Check the total width B, total height H, and mounting hole positions of the nut housing to ensure sufficient installation space and fastening operation space on your equipment.
Applications
The DSG series provides robust support in the following areas:
Heavy-duty CNC machine tools: Feed axes of large gantry milling machines, floor-type boring machines, and deep hole drilling machines. Heavy Industry Forming Equipment: Core transmission mechanisms for metal sheet stamping presses, hydraulic presses, and casting and forging machines.
Plastics and Rubber Machinery: Injection unit movement and mold clamping units of large injection molding machines.
Material Handling and Automation: Precision drive components in heavy-duty stackers, port cranes, and automated logistics systems.
The DSG series steel nut housing is an uncompromising choice for heavy-duty precision transmission applications. It represents a design philosophy: under the most demanding working conditions, fundamental robustness is the prerequisite for all advanced performance. Choosing DSG means choosing a reliable load-bearing core for your heavy-duty equipment. It transforms invisible driving torque into stable, precise, and durable linear motion, serving as the cornerstone for ensuring production efficiency and the long-term value of your equipment.
Parameters
| Model No. |
Paired Model |
D |
B |
H |
h |
L |
C1 |
C2 |
P |
X |
W |
Y |
| DSG 1616 |
1616 |
32 |
55 |
40 |
20 |
27 |
6 |
15 |
45 |
M4 |
42 |
M4 |
| DSG 2020 |
2020 |
39 |
66 |
47 |
23.5 |
35 |
7.5 |
20 |
56 |
M5 |
50 |
M5 |
| DSG 2525 |
2525 |
47 |
80 |
55 |
27.5 |
34 |
7 |
20 |
68 |
M6 |
60 |
M6 |
| DSG 3232 |
3232 |
58 |
95 |
66 |
33 |
55 |
10 |
35 |
82 |
M8 |
74 |
M8 |
| DSG 4040 |
4040 |
73 |
120 |
90 |
45 |
60 |
10 |
40 |
100 |
M10 |
93 |
M10 |
| DSG 5050 |
5050 |
90 |
128 |
104 |
52.5 |
68 |
9.3 |
50 |
110 |
M12 |
112 |
M12 |
| Model No. |
Paired Model |
D |
B |
H |
h |
L |
C1 |
C2 |
P |
X |
W |
Y |
| DSG16H |
1605 1610 1616 1620 |
28 |
52 |
40 |
20 |
40 |
8 |
24 |
40 |
M5 |
38 |
M5 |
| DSG 20H |
2005 2010 2020 |
36 |
62 |
44 |
22 |
40 |
8 |
24 |
48 |
M6 |
47 |
M6 |
| DSG 25H |
2505 2510 2520 2525 |
40 |
66 |
48 |
24 |
40 |
8 |
24 |
50 |
M6 |
51 |
M6 |
| DSG 32H |
3205 3210 3220 3232 |
50 |
86 |
62 |
31 |
40 |
8 |
24 |
66 |
M8 |
65 |
M8 |
| DSG 40H |
4005 4010 4020 4040 |
63 |
100 |
80 |
40 |
60 |
10 |
40 |
78 |
M8 |
78 |
M8 |
| DSG 50H |
5005 5010 5020 5050 |
75 |
120 |
91 |
45.5 |
60 |
10 |
40 |
93 |
M10 |
93 |
M10 |
Drawings

