Main Technical Parameters and Design
Dustproof Structure: Typically uses a multi-layer end cap seal. The outermost layer is a scraper-type sealing ring that powerfully removes particles from the shaft surface; the inner layer is a labyrinth seal that blocks fine dust through a tortuous path.
Accuracy and Performance: Inherits the C7 standard accuracy of rolled ball screws, with high transmission efficiency (>90%). The dustproof design has no negative impact on motion smoothness and accuracy.
Specification Range: Provides common shaft diameters from φ12mm to φ50mm and various lead options. The nut flange dimensions are compatible with the standard SFU series, facilitating equipment upgrades and replacements.
Easy Installation: The integrated flange design allows for installation identical to standard flanged nuts, requiring no changes to the equipment's structural design.
Typical Application Scenarios
The SFNU series provides reliable transmission protection for industries facing contamination challenges, including:
Wood and Stone Processing: Sawing, carving, and grinding equipment, handling wood chips and stone dust.
Agriculture and Engineering Machinery: Outdoor mobile equipment such as seeders and fertilizer spreaders, providing protection against dust and moisture.
Food and Packaging Industry: Handling slightly corrosive powders such as sugar and starch.
General Automation: Automation units in factories near grinding, stamping, and other processes that generate debris.
The core value of the strong dust-proof SFNU Series Ball Screw is "providing protective armor for precision transmission." It is not just a transmission component, but a reliable solution for harsh working environments, effectively ensuring long-term stable operation of equipment under demanding conditions, fundamentally reducing maintenance costs and downtime risks.
Parameters
| Model No. |
d |
l |
Da |
Dimension |
Load Rating |
Rigidity |
Weight |
| D |
A |
B |
L |
W |
H |
X |
Q |
n |
Ca(kgf) |
Coa(kgf) |
Kgf/μm |
Kg |
| SFNU1204-4 |
12 |
4 |
2.381 |
24 |
40 |
10 |
40 |
32 |
30 |
4.5 |
M6 |
1x4 |
902 |
1884 |
26 |
0.138 |
| SFNU1605-4 |
16 |
5 |
3.175 |
28 |
48 |
10 |
45 |
38 |
40 |
5.5 |
M6 |
1x4 |
1380 |
3052 |
32 |
0.19 |
| SFNU1610-3 |
10 |
3.175 |
28 |
48 |
10 |
57 |
38 |
40 |
5.5 |
M6 |
1x3 |
1103 |
2401 |
26 |
0.22 |
| SFNU2005-4 |
20 |
5 |
3.175 |
36 |
58 |
10 |
51 |
47 |
44 |
6.6 |
M6 |
1x4 |
1551 |
3875 |
39 |
0.316 |
| SFNU2505-4 |
25 |
5 |
3.175 |
40 |
62 |
10 |
51 |
51 |
48 |
6.6 |
M6 |
1x4 |
1724 |
4904 |
45 |
0.35 |
| SFNU2510-4 |
10 |
4.762 |
40 |
62 |
12 |
80 |
51 |
48 |
6.6 |
M6 |
1x4 |
2954 |
7295 |
50 |
0.484 |
| SFNU3205-4 |
32 |
5 |
3.175 |
50 |
80 |
12 |
52 |
65 |
62 |
9 |
M6 |
1x4 |
1922 |
6343 |
54 |
0.588 |
| SFNU3210-4 |
10 |
6.350 |
50 |
80 |
12 |
85 |
65 |
62 |
9 |
M6 |
1x4 |
4805 |
12208 |
61 |
0.832 |
| SFNU4005-4 |
40 |
5 |
3.175 |
63 |
93 |
14 |
55 |
78 |
70 |
9 |
M8 |
1x4 |
2110 |
7988 |
63 |
0.97 |
| SFNU4010-4 |
10 |
6.350 |
63 |
93 |
14 |
88 |
78 |
70 |
9 |
M8 |
1x4 |
5399 |
15500 |
73 |
1.246 |
| SFNU5010-4 |
50 |
10 |
6.350 |
75 |
110 |
16 |
88 |
93 |
85 |
11 |
M8 |
1x4 |
6004 |
19614 |
85 |
1.82 |
| SFNU6310-4 |
63 |
10 |
6.350 |
90 |
125 |
18 |
93 |
108 |
95 |
11 |
M8 |
1x4 |
6719 |
25358 |
99 |
2.576 |
| SFNU8010-4 |
80 |
10 |
6.350 |
105 |
145 |
20 |
93 |
125 |
110 |
13.5 |
M8 |
1x4 |
7346 |
31953 |
109 |
3.1 |
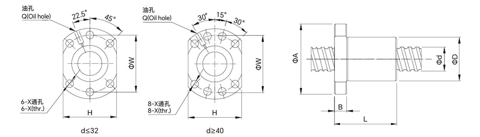
Drawings

Supports Product Combination Selection
Production Capacity
 |
Cyclone Milling Machines
LWN160-6000mm Leistritz Cyclone milling machines imported directly from Germany, the ball screw shaft precision can be C3, C5, and C7 the max length can be 7000mm |
Rolled Thread CNC Machines
PR-40CNC Profiroll rolled thread ball screw machines imported directly from Germany the ball screw shaft precision can be C5, C7 -C10 |

|
 |
Rolled Thread CNC Machines
ST-20.2 and ST-347.7 rolled thread ball screw machines from TaiWan. The ball screw shaft precision can be C7 - C10 |
Ball Screw Assembly Workshop
We conduct nut assembly in a constant temperature workshop, all workers having decades of work experience and zero clearance between the screw and nut. |
 |
 |
Ball Screw Assembly Workshop
One ball screw shaft matches one ball screw nut. Because each ball screw shaft has a very tiny different tolerance. There are dozens of different ball sizes for different screw shaft. Our ball screw shaft and nut can be interchanged with the Taiwan TBI ball screw shaft and nut very well. |