Main Technical Parameters and Design
Circulation System Optimization: Typically uses a high-flow end cap return design or special guide vanes to ensure smooth and fluid ball movement through the return tube at high speeds, which is key to achieving low-noise, high-speed operation.
Ball and Lead Matching: Recommended use of smaller steel balls or optimized lead (such as large lead) to reduce ball rotational speed, thus reducing centrifugal force and noise at the source.
Accuracy Class: Offers various accuracy options such as C5 and C7, maintaining high positioning accuracy even at high speeds.
Lubrication Design: Optimized grease filling or oil ports for high-speed conditions to ensure long-lasting lubrication.
Specification Range: Covers common shaft diameters and offers large-lead models specifically optimized for high speeds.
Typical Application Scenarios
The SFS series is the ideal core component for equipment with extreme demands on speed and quiet operation:
High-speed precision manufacturing: Semiconductor packaging equipment, PCB drilling machines, high-speed precision engraving machines.
Automation and robotics: High-speed Delta/SCARA robots, high-speed pick-and-place manipulators, precision assembly lines.
Inspection and medical: High-speed image scanners, automated analytical instruments, medical diagnostic equipment.
High-end machine tools: Feed axes for high-speed machining centers and precision grinding machines.
The SFS series high-speed low-noise ball screw is more than just a faster component; it represents a high-quality motion experience. Through precision design, it solves the contradiction between high speed and noise/temperature rise, providing a faster, more stable, and quieter transmission core for high-end equipment, directly improving the performance and market competitiveness of the end product.
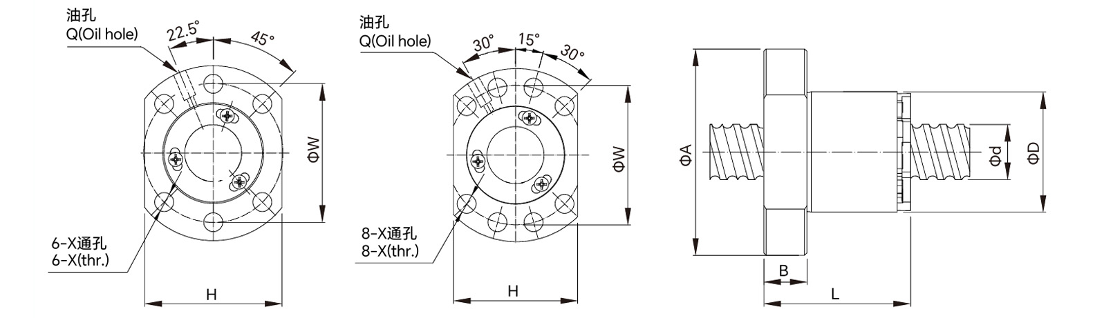
Parameters
| Model No. |
d |
l |
Da |
Dimension |
Load Rating |
Rigidity |
Weight |
| D |
A |
B |
L |
W |
H |
X |
Q |
n |
Ca(kgf) |
Coa(kgf) |
Kgf/um |
Kg |
| SFS1205-2.8 |
12 |
5 |
2.5 |
24 |
40 |
10 |
31 |
32 |
30 |
4.5 |
M6 |
2.8x1 |
661 |
1316 |
19 |
0.11 |
| SFS1210-2.8 |
10 |
2.5 |
24 |
40 |
10 |
48.5 |
32 |
30 |
4.5 |
M6 |
2.8x1 |
642 |
1287 |
19 |
0.144 |
| SFS1605-3.8 |
15 |
5 |
2.778 |
28 |
48 |
10 |
38 |
38 |
40 |
5.5 |
M6 |
3.8x1 |
1112 |
2507 |
30 |
0.184 |
| SFS1610-2.8 |
10 |
2.778 |
28 |
48 |
10 |
47 |
38 |
40 |
5.5 |
M6 |
2.8x1 |
839 |
1821 |
23 |
0.212 |
| SFS1616-1.8 |
16 |
2.778 |
28 |
48 |
10 |
45 |
38 |
40 |
5.5 |
M6 |
1.8x1 |
552 |
1137 |
14 |
0.208 |
| SFS1620-1.8 |
20 |
2.778 |
28 |
48 |
10 |
57 |
38 |
40 |
5.5 |
M6 |
1.8x1 |
554 |
1170 |
14 |
0.24 |
| SFS2005-3.8 |
20 |
5 |
3.175 |
36 |
58 |
10 |
40 |
47 |
44 |
6.6 |
M6 |
3.8x1 |
1484 |
3681 |
37 |
0.246 |
| SFS2010-3.8 |
10 |
3.175 |
36 |
58 |
10 |
60 |
47 |
44 |
6.6 |
M6 |
3.8x1 |
1516 |
3833 |
40 |
0.336 |
| SFS2020-1.8 |
20 |
3.175 |
36 |
58 |
10 |
57 |
47 |
44 |
6.6 |
M6 |
1.8x1 |
764 |
1758 |
19 |
0.332 |
| SFS2505-3.8 |
25 |
5 |
3.175 |
40 |
62 |
10 |
40 |
51 |
48 |
6.6 |
M6 |
3.8x1 |
1650 |
4658 |
43 |
0.27 |
| SFS2510-3.8 |
10 |
3.175 |
40 |
62 |
12 |
62 |
51 |
48 |
6.6 |
M6 |
3.8x1 |
1638 |
4633 |
45 |
0.384 |
| SFS2525-1.8 |
25 |
3.175 |
40 |
62 |
12 |
70 |
51 |
48 |
6.6 |
M6 |
1.8x1 |
843 |
2199 |
22 |
0.43 |
| SFS3205-3.8 |
32 |
5 |
3.175 |
50 |
80 |
12 |
42 |
65 |
62 |
9 |
M6 |
3.8x1 |
1839 |
6026 |
51 |
0.65 |
| SFS3210-3.8 |
31 |
10 |
3.969 |
50 |
80 |
13 |
62 |
65 |
62 |
9 |
M6 |
3.8x1 |
2460 |
7255 |
55 |
0.65 |
| SFS3220-2.8 |
20 |
3.969 |
50 |
80 |
12 |
80 |
65 |
62 |
9 |
M6 |
2.8x1 |
1907 |
5482 |
43 |
0.8 |
| SFS3232-1.8 |
32 |
3.969 |
50 |
80 |
13 |
84 |
65 |
62 |
9 |
M6 |
1.8x1 |
1257 |
3426 |
27 |
0.84 |
| SFS4005-3.8 |
40 |
5 |
3.175 |
63 |
93 |
15 |
45 |
78 |
70 |
9 |
M8 |
3.8x1 |
2018 |
7589 |
60 |
0.808 |
| SFS4010-3.8 |
38 |
10 |
6.35 |
63 |
93 |
14 |
63 |
78 |
70 |
9 |
M8 |
3.8x1 |
5035 |
13943 |
67 |
1.026 |
| SFS4020-2.8 |
20 |
6.35 |
63 |
93 |
14 |
82 |
78 |
70 |
9 |
M8 |
2.8x1 |
3959 |
10715 |
54 |
1.282 |
| SFS4040-1.8 |
40 |
6.35 |
63 |
93 |
15 |
105 |
78 |
70 |
9 |
M8 |
1.8x1 |
2585 |
6648 |
34 |
1.518 |
| SFS5005-3.8 |
50 |
5 |
3.175 |
75 |
110 |
15 |
45 |
93 |
85 |
11 |
M8 |
3.8x1 |
2207 |
9542 |
68 |
1.098 |
| SFS5010-3.8 |
48 |
10 |
6.35 |
75 |
110 |
18 |
68 |
93 |
85 |
11 |
M8 |
3.8x1 |
5638 |
17852 |
79 |
1.458 |
| SFS5020-3.8 |
20 |
6.35 |
75 |
110 |
18 |
108 |
93 |
85 |
11 |
M8 |
3.8x1 |
5749 |
18485 |
87 |
2.172 |
| SFS5050-1.8 |
50 |
6.35 |
75 |
110 |
18 |
125 |
93 |
85 |
11 |
M8 |
1.8x1 |
2946 |
8749 |
42 |
2.486 |
Drawings

Supports Product Combination Selection
Production Capacity
 |
Cyclone Milling Machines
LWN160-6000mm Leistritz Cyclone milling machines imported directly from Germany, the ball screw shaft precision can be C3, C5, and C7 the max length can be 7000mm |
Rolled Thread CNC Machines
PR-40CNC Profiroll rolled thread ball screw machines imported directly from Germany the ball screw shaft precision can be C5, C7 -C10 |

|
 |
Rolled Thread CNC Machines
ST-20.2 and ST-347.7 rolled thread ball screw machines from TaiWan. The ball screw shaft precision can be C7 - C10 |
Ball Screw Assembly Workshop
We conduct nut assembly in a constant temperature workshop, all workers having decades of work experience and zero clearance between the screw and nut. |
 |
 |
Ball Screw Assembly Workshop
One ball screw shaft matches one ball screw nut. Because each ball screw shaft has a very tiny different tolerance. There are dozens of different ball sizes for different screw shaft. Our ball screw shaft and nut can be interchanged with the Taiwan TBI ball screw shaft and nut very well. |