Main Technical Parameters and Design
Strong Dust Protection: Utilizes an end-cap type composite sealing system, typically including a combination of elastic scraper seals and labyrinth non-contact seals, ensuring no contaminants enter the lubrication raceway.
Low Noise: Optimized ball circulation channel geometry and return tube interfaces reduce ball impact and turbulence, achieving silent operation.
Precision and Performance: Offers precision grades such as C5 and C7, with a transmission efficiency >90%, ensuring protection without sacrificing transmission efficiency and accuracy.
Specification Compatibility: Nut mounting dimensions are generally compatible with standard flanged (SFU) series, facilitating equipment upgrades or direct replacement, reducing design change costs.
Application
The SFA series is the ideal choice for the following fields with stringent requirements for cleanliness and quiet working environments:
Cleanrooms and Precision Manufacturing: Semiconductor wafer handling equipment, LCD panel production lines, precision optical instruments.
Food and Pharmaceutical Industries: Automated packaging machines, filling machines, pharmaceutical dispensing equipment, meeting GMP standards.
High-End Electronics Assembly: SMT placement machines, precision dispensing machines, automated testing equipment for mobile phone/computer components.
Medical and Laboratory Equipment: Medical analytical instruments, automated sampling equipment, laboratory automation platforms.
The SFA series strong dust-proof and low-noise ball screw represents the intelligent and user-friendly development of precision transmission components. It not only solves the problem of "usability" but also strives to achieve "excellent performance" and "durability" in demanding environments. Choosing the SFA series means injecting reliable, quiet, and long-lasting precision power into your equipment, directly enhancing the competitiveness of your end products in the high-end market.
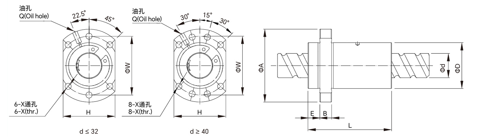
Parameters
| Model No. |
d |
l |
Da |
Dimension |
Load Rating |
Rigidity |
Weight |
| D |
A |
E |
B |
L |
W |
H |
X |
Q |
n |
Ca(kgf) |
Coa(kgf) |
Kgf/um |
Kg |
| SFA1205-2.8 |
12 |
5 |
2.5 |
24 |
40 |
5 |
10 |
30 |
32 |
30 |
4.5 |
M6 |
2.8×1 |
661 |
1316 |
19 |
0.112 |
| SFA1210-2.8 |
10 |
2.5 |
24 |
40 |
5 |
10 |
42 |
32 |
30 |
4.5 |
M6 |
2.8×1 |
642 |
1287 |
19 |
0.13 |
| SFA1605-3.8 |
15 |
5 |
2.778 |
28 |
48 |
5 |
10 |
31 |
38 |
40 |
5.5 |
M6 |
3.8×1 |
1112 |
2507 |
30 |
0.168 |
| SFA1610-2.8 |
10 |
2.778 |
28 |
48 |
5 |
10 |
42 |
38 |
40 |
5.5 |
M6 |
2.8×1 |
839 |
1821 |
23 |
0.198 |
| SFA1616-1.8 |
16 |
2.778 |
28 |
48 |
5 |
10 |
43 |
38 |
40 |
5.5 |
M6 |
1.8×1 |
552 |
1137 |
14 |
0.202 |
| SFA1620-1.8 |
20 |
2.778 |
28 |
48 |
5 |
10 |
50 |
38 |
40 |
5.5 |
M6 |
1.8×1 |
554 |
1170 |
14 |
0.222 |
| SFA2005-3.8 |
20 |
5 |
3.175 |
36 |
58 |
7 |
10 |
33 |
47 |
44 |
6.6 |
M6 |
3.8×1 |
1484 |
3681 |
37 |
0.245 |
| SFA2010-3.8 |
10 |
3.175 |
36 |
58 |
7 |
10 |
52 |
47 |
44 |
6.6 |
M6 |
3.8×1 |
1516 |
3833 |
40 |
0.33 |
| SFA2020-1.8 |
20 |
3.175 |
36 |
58 |
7 |
10 |
52 |
47 |
44 |
6.6 |
M6 |
1.8×1 |
764 |
1758 |
19 |
0.332 |
| SFA2505-3.8 |
25 |
5 |
3.175 |
40 |
62 |
7 |
10 |
33 |
51 |
48 |
6.6 |
M6 |
3.8×1 |
1650 |
4658 |
43 |
0.272 |
| SFA2510-3.8 |
10 |
3.175 |
40 |
62 |
7 |
12 |
52 |
51 |
48 |
6.6 |
M6 |
3.8×1 |
1638 |
4633 |
45 |
0.35 |
| SFA2525-1.8 |
25 |
3.175 |
40 |
62 |
7 |
12 |
60 |
51 |
48 |
6.6 |
M6 |
1.8×1 |
843 |
2199 |
22 |
0.415 |
| SFA3205-3.8 |
32 |
5 |
3.175 |
50 |
80 |
9 |
12 |
35 |
65 |
62 |
9 |
M6 |
3.8×1 |
1839 |
6026 |
51 |
0.462 |
| SFA3210-3.8 |
31 |
10 |
3.969 |
50 |
80 |
9 |
12 |
53 |
65 |
62 |
9 |
M6 |
3.8×1 |
2460 |
7255 |
55 |
0.58 |
| SFA3220-2.8 |
20 |
3.969 |
50 |
80 |
9 |
12 |
72 |
65 |
62 |
9 |
M6 |
2.8×1 |
1907 |
5482 |
43 |
0.742 |
| SFA3232-1.8 |
32 |
3.969 |
50 |
80 |
9 |
12 |
78 |
65 |
62 |
9 |
M6 |
1.8×1 |
1257 |
3426 |
27 |
0.79 |
| SFA4005-3.8 |
40 |
5 |
3.175 |
63 |
93 |
9 |
14 |
39 |
78 |
70 |
9 |
M8 |
3.8×1 |
2018 |
7589 |
60 |
0.808 |
| SFA4010-3.8 |
38 |
10 |
6.35 |
63 |
93 |
9 |
14 |
57 |
78 |
70 |
9 |
M8 |
3.8×1 |
5035 |
13943 |
67 |
0.87 |
| SFA4020-2.8 |
20 |
6.35 |
63 |
93 |
9 |
14 |
78 |
78 |
70 |
9 |
M8 |
2.8×1 |
3959 |
10715 |
54 |
1.15 |
| SFA4040-1.8 |
40 |
6.35 |
63 |
93 |
9 |
14 |
96 |
78 |
70 |
9 |
M8 |
1.8×1 |
2585 |
6648 |
34 |
1.525 |
| SFA5005-3.8 |
50 |
5 |
3.175 |
75 |
110 |
10.5 |
15 |
42 |
93 |
85 |
11 |
M8 |
3.8×1 |
2207 |
9542 |
68 |
0.944 |
| SFA5010-3.8 |
48 |
10 |
6.35 |
75 |
110 |
10.5 |
18 |
57 |
93 |
85 |
11 |
M8 |
3.8×1 |
5638 |
17852 |
79 |
1.28 |
| SFA5020-3.8 |
20 |
6.35 |
75 |
110 |
10.5 |
18 |
98 |
93 |
85 |
11 |
M8 |
3.8×1 |
5749 |
18485 |
87 |
2.05 |
| SFA5050-1.8 |
50 |
6.35 |
75 |
110 |
10.5 |
18 |
117 |
93 |
85 |
11 |
M8 |
1.8×1 |
2946 |
8749 |
42 |
2.4 |
Drawings

Supports Product Combination Selection
Production Capacity
 |
Cyclone Milling Machines
LWN160-6000mm Leistritz Cyclone milling machines imported directly from Germany, the ball screw shaft precision can be C3, C5, and C7 the max length can be 7000mm |
Rolled Thread CNC Machines
PR-40CNC Profiroll rolled thread ball screw machines imported directly from Germany the ball screw shaft precision can be C5, C7 -C10 |

|
 |
Rolled Thread CNC Machines
ST-20.2 and ST-347.7 rolled thread ball screw machines from TaiWan. The ball screw shaft precision can be C7 - C10 |
Ball Screw Assembly Workshop
We conduct nut assembly in a constant temperature workshop, all workers having decades of work experience and zero clearance between the screw and nut. |
 |
 |
Ball Screw Assembly Workshop
One ball screw shaft matches one ball screw nut. Because each ball screw shaft has a very tiny different tolerance. There are dozens of different ball sizes for different screw shaft. Our ball screw shaft and nut can be interchanged with the Taiwan TBI ball screw shaft and nut very well. |