Detailed Installation Methods
Set Screw Fixing: A flat surface is machined on the outer diameter of the nut, and 2-3 set screws are used to tighten it into the mounting hole for fixation.
Locking Nut Fixing: Using a separate locking nut (commonly known as a "collar") to clamp the nut from both ends is the most common and secure method.
Clamping Sleeve Fixing: An open elastic clamping sleeve is used to wrap the nut, generating uniform clamping force when tightened, making installation convenient.
Accuracy and Performance: As a rolled ball screw, the standard accuracy is typically C7 grade, offering high transmission efficiency and a variety of shaft diameter and lead options from miniature to medium sizes.
Optional Configurations: Available in single nut (with clearance) or double nut preloaded (zero clearance) forms to meet different rigidity requirements.
Typical Application Scenarios
The SCA series ball screw, with its compact and flexible features, excels in the following areas:
Precision instruments and laboratory equipment: Spectrometers, microscope stages, optical adjustment mechanisms.
Small-scale automation and robotics: Desktop robotic arms, 3D printers, small linear modules, precision slides.
Semiconductor and electronics manufacturing: Chip testing equipment, Z-axis lifting for small dispensing valves.
Medical equipment: Dental chair adjustment mechanisms, motion components for small diagnostic instruments.
Any situation where space is limited and clever mechanical design is required.
The Straight cylinder type SCA series ball screw is a master of space optimization and a design decoupling tool. Through its simplified nut shape, it completely entrusts the decision-making power for installation and fixation to the designer, thereby achieving a more reasonable transmission layout within space-constrained equipment. Choosing the SCA series means gaining valuable space and flexibility for the design of your precision equipment.
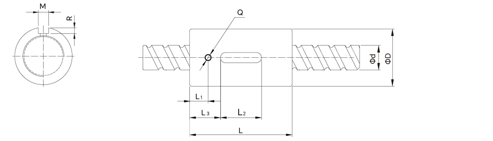
Parameters
| Model No. |
d |
l |
Da |
Dimension |
Load Rating |
Rigidity |
Weight |
| D |
L |
L1 |
L2 |
L3 |
M |
R |
Q |
n |
Ca(kgf) |
Coa(kgf) |
Kgf/um |
Kg |
| SCA1205-4.8 |
12 |
5 |
2.5 |
24 |
40 |
7 |
12 |
14 |
3 |
1.5 |
3 |
4.8x1 |
1011 |
2105 |
34 |
0.092 |
| SCA1210-2.8 |
10 |
2.5 |
24 |
45 |
8 |
15 |
15 |
3 |
1.5 |
3 |
2.8x1 |
642 |
1287 |
19 |
0.104 |
| SCA1210-1.8 |
10 |
2.5 |
24 |
40 |
10.5 |
12 |
14 |
3 |
1.5 |
3 |
1.8x1 |
439 |
827 |
33 |
0.08 |
| SCA1605-5.8 |
15 |
5 |
2.778 |
28 |
45 |
7 |
20 |
12.5 |
5 |
3 |
3 |
5.8x1 |
1599 |
3827 |
49 |
0.144 |
| SCA1610-2.8 |
10 |
2.778 |
28 |
45 |
7 |
20 |
12.5 |
5 |
3 |
3 |
2.8x1 |
839 |
1821 |
23 |
0.14 |
| SCA1616-1.8 |
16 |
2.778 |
28 |
45 |
7 |
20 |
12.5 |
5 |
3 |
3 |
1.8x1 |
552 |
1137 |
18 |
0.136 |
| SCA1620-1.8 |
20 |
2.778 |
28 |
58 |
10 |
20 |
19 |
5 |
3 |
3 |
1.8x1 |
554 |
1170 |
14 |
0.17 |
| SCA2005-5.8 |
20 |
5 |
3.175 |
36 |
47 |
8 |
20 |
13.5 |
5 |
3 |
3 |
5.8x1 |
2134 |
5619 |
60 |
0.214 |
| SCA2010-3.8 |
10 |
3.175 |
36 |
55 |
8 |
20 |
17.5 |
5 |
3 |
3 |
3.8x1 |
1516 |
3833 |
40 |
0.254 |
| SCA2020-1.8 |
20 |
3.175 |
36 |
55 |
8 |
20 |
17.5 |
5 |
3 |
3 |
1.8x1 |
764 |
1758 |
19 |
0.252 |
Drawings

Supports Product Combination Selection
Production Capacity
 |
Cyclone Milling Machines
LWN160-6000mm Leistritz Cyclone milling machines imported directly from Germany, the ball screw shaft precision can be C3, C5, and C7 the max length can be 7000mm |
Rolled Thread CNC Machines
PR-40CNC Profiroll rolled thread ball screw machines imported directly from Germany the ball screw shaft precision can be C5, C7 -C10 |

|
 |
Rolled Thread CNC Machines
ST-20.2 and ST-347.7 rolled thread ball screw machines from TaiWan. The ball screw shaft precision can be C7 - C10 |
Ball Screw Assembly Workshop
We conduct nut assembly in a constant temperature workshop, all workers having decades of work experience and zero clearance between the screw and nut. |
 |
 |
Ball Screw Assembly Workshop
One ball screw shaft matches one ball screw nut. Because each ball screw shaft has a very tiny different tolerance. There are dozens of different ball sizes for different screw shaft. Our ball screw shaft and nut can be interchanged with the Taiwan TBI ball screw shaft and nut very well. |