Main Technical Parameters and Design
Lead Definition and Selection: Models with a lead value greater than 1/3 or even 1/2 of the screw shaft diameter are generally classified as large lead ball screws. For example, for a Φ20mm ball screw, a lead greater than 10mm can be considered a large lead.
Speed and Motor Matching: Its design aims to reduce reliance on high motor speeds. High-speed movement can be achieved with ordinary speed motors, reducing the requirements for the motor and driver, making it more cost-effective.
Accuracy Considerations: Standard accuracy is usually C7 grade. When selecting a model, the focus should be on repetitive positioning accuracy rather than lead cumulative error, as its high-speed characteristics are often used for "point-to-point" rapid handling, not ultra-precision cutting.
Structural Features: The nut design often uses multiple rows of ball bearings to increase the number of load-bearing balls, compensating for the potential decrease in load capacity due to the increased lead.
Applications
The SFY series ball screw is an ideal choice for the following speed-prioritized applications:
High-speed automation and handling: Rapid material transfer on automated production lines, gripping axes of high-speed robots (such as Delta robots), and lifting mechanisms of AGV carts.
Rapid feeding mechanisms: Fast movement (G00) axes of CNC machine tools, idle movement of laser cutting machines, and scanning axes of testing equipment in the 3C industry.
Special equipment: High-speed packaging machinery, feeding mechanisms of printing machinery, and stage lifting equipment.
Any application requiring reduced idle time, improved equipment cycle time, and increased production efficiency.
The Big Lead SFY series ball screw is an "accelerator" for equipment speed. Through clever mechanical design conversion, it efficiently transforms rotational motion into high-speed linear motion, directly enabling equipment to achieve faster production cycles. Choosing the SFY series means selecting "speed" and "efficiency" as core competitive advantages for your equipment in today's fierce market competition.
Parameters
Large Lead Model No. |
d |
I |
Da |
Dimension |
Load Rating |
Rigidity |
Weight |
| D |
A |
E |
B |
L |
W |
H |
X |
Q |
n |
Ca(kgf) |
Coa(kgf) |
Kgf/um |
Kg |
| SFY1616-3.6 |
16 |
16 |
2.778 |
32 |
53 |
10.1 |
10 |
45 |
42 |
34 |
4.5 |
M6 |
1.8x2 |
1073 |
2551 |
31 |
0.238 |
| SFY2020-3.6 |
20 |
20 |
3.175 |
39 |
62 |
13 |
10 |
52 |
50 |
41 |
5.5 |
M6 |
1.8x2 |
1387 |
3515 |
37 |
0.38 |
| SFY2525-3.6 |
25 |
25 |
3.969 |
47 |
74 |
15 |
12 |
64 |
60 |
49 |
6.6 |
M6 |
1.8x2 |
2074 |
5494 |
45 |
0.652 |
| SFY3232-3.6 |
32 |
32 |
4.762 |
58 |
92 |
17 |
12 |
78 |
74 |
60 |
9 |
M6 |
1.8x2 |
3021 |
8690 |
58 |
1.168 |
| SFY4040-3.6 |
40 |
40 |
6.35 |
73 |
114 |
19.5 |
15 |
99 |
93 |
75 |
11 |
M6 |
1.8x2 |
4831 |
14062 |
70 |
2.288 |
| SFY5050-3.6 |
50 |
50 |
7.938 |
90 |
135 |
21.5 |
20 |
117 |
112 |
92 |
14 |
M6 |
1.8x2 |
7220 |
21974 |
86 |
4.12 |
Twin Lead Model No. |
d |
I |
Da |
Dimension |
Load Rating |
Rigidity |
Weight |
| D |
A |
E |
B |
L |
W |
H |
X |
Q |
n |
Ca(kgf) |
Coa(kgf) |
Kgf/um |
Kg |
| SFY1632-1.6 |
16 |
32 |
2.778 |
32 |
53 |
10.1 |
10 |
42.5 |
42 |
34 |
4.5 |
M6 |
0.8x2 |
493 |
1116 |
11 |
0.222 |
| SFY2040-1.6 |
20 |
40 |
3.175 |
39 |
62 |
13 |
10 |
48 |
50 |
41 |
5.5 |
M6 |
0.8x2 |
653 |
1597 |
15 |
0.348 |
| SFY2550-1.6 |
25 |
50 |
3.969 |
47 |
74 |
15 |
12 |
58 |
60 |
49 |
6.6 |
M6 |
0.8x2 |
976 |
2495 |
19 |
0.596 |
| SFY3264-1.6 |
32 |
64 |
4.762 |
58 |
92 |
17 |
12 |
71 |
74 |
60 |
9 |
M6 |
0.8x2 |
1374 |
3571 |
22 |
1.066 |
| SFY4080-1.6 |
40 |
80 |
6.35 |
73 |
114 |
19.5 |
15 |
90 |
93 |
75 |
11 |
M6 |
0.8x2 |
2273 |
6387 |
29 |
2.096 |
| SFY50100-1.6 |
50 |
100 |
7.938 |
90 |
135 |
21.5 |
20 |
111 |
112 |
92 |
14 |
M6 |
0.8x2 |
3398 |
9980 |
35 |
3.818 |
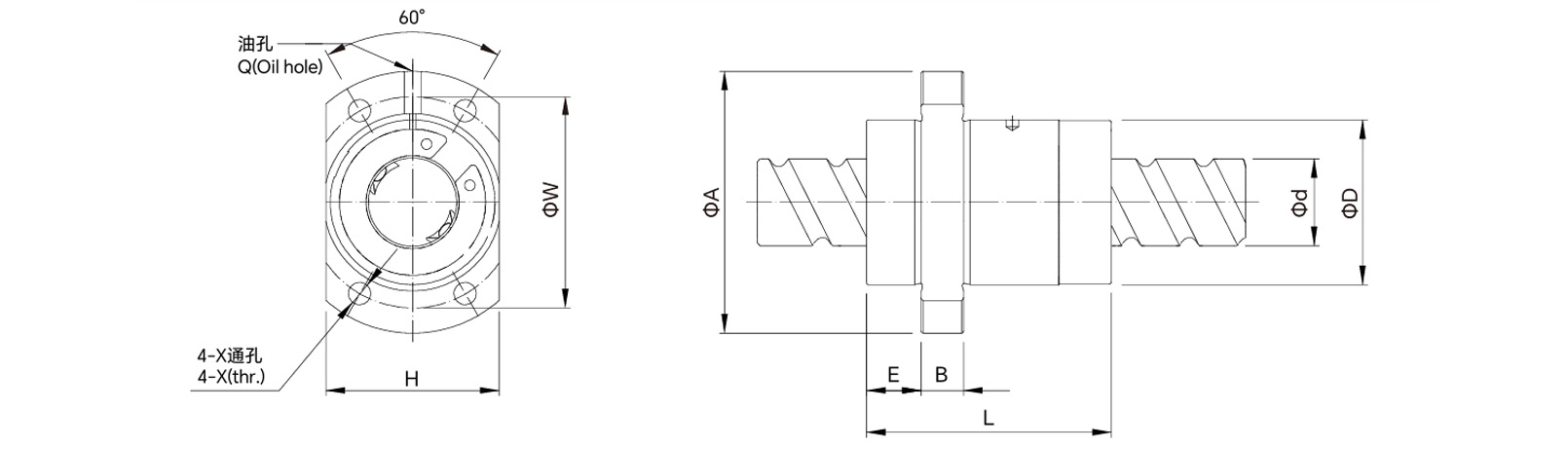
Drawings

Supports Product Combination Selection
Production Capacity
 |
Cyclone Milling Machines
LWN160-6000mm Leistritz Cyclone milling machines imported directly from Germany, the ball screw shaft precision can be C3, C5, and C7 the max length can be 7000mm |
Rolled Thread CNC Machines
PR-40CNC Profiroll rolled thread ball screw machines imported directly from Germany the ball screw shaft precision can be C5, C7 -C10 |

|
 |
Rolled Thread CNC Machines
ST-20.2 and ST-347.7 rolled thread ball screw machines from TaiWan. The ball screw shaft precision can be C7 - C10 |
Ball Screw Assembly Workshop
We conduct nut assembly in a constant temperature workshop, all workers having decades of work experience and zero clearance between the screw and nut. |
 |
 |
Ball Screw Assembly Workshop
One ball screw shaft matches one ball screw nut. Because each ball screw shaft has a very tiny different tolerance. There are dozens of different ball sizes for different screw shaft. Our ball screw shaft and nut can be interchanged with the Taiwan TBI ball screw shaft and nut very well. |