Main Technical Parameters and Design
Precision Manufacturing: The grinding of the ball screw shaft raceway, the processing of the nut, and the assembly of tiny steel balls (with diameters possibly less than 1mm) require extremely high manufacturing precision.
Structural Innovation: May employ end-cap circulation or special miniature recirculators to accommodate the extremely small internal space.
Materials and Heat Treatment: High-strength alloy steel is often used and subjected to special heat treatment to ensure sufficient strength and wear resistance at miniature sizes.
Accuracy and Performance: Available in C5, C7, and even higher precision grades. Due to its extremely small lead, it can often achieve sub-micron precision displacement control.
Specifications and Selection: Offers extremely small shaft diameters from φ3mm to φ10mm, with leads typically of 0.5mm, 1mm, 2mm, etc. Users need to carefully calculate load, speed, and lifespan.
Applications
The Mini type SFK series ball screw is the ideal power source for the following miniaturized and lightweight cutting-edge equipment:
Micro-automation and Robotics: Desktop micro-robotic arms, micro-motion platforms in chip packaging equipment, joint drives for bionic micro-robots.
Precision Optics and Instruments: Fiber optic alignment equipment, micro-adjustment axes for laser engraving machines, automatic focusing mechanisms for microscopes.
Medical and Laboratory Equipment: Cell manipulators, gene sequencers, precision feeding mechanisms for microfluidic chips, fine end-effectors for surgical robots.
High-end Consumer and Model Products: High-precision 3D printer nozzle lifting, professional camera sliders, rudder control for high-end model aircraft.
The Mini type SFK series ball screw is an outstanding representative of precision engineering's advancement into the microscopic realm. It breaks the limitations of "efficient and precise transmission being difficult to achieve in small spaces," condensing the essence of ball screw technology into a compact design. Choosing the SFK series means equipping your miniaturized innovative products with professional-grade, highly reliable core motion components, which is key to creating differentiated competitiveness and a superior product experience.
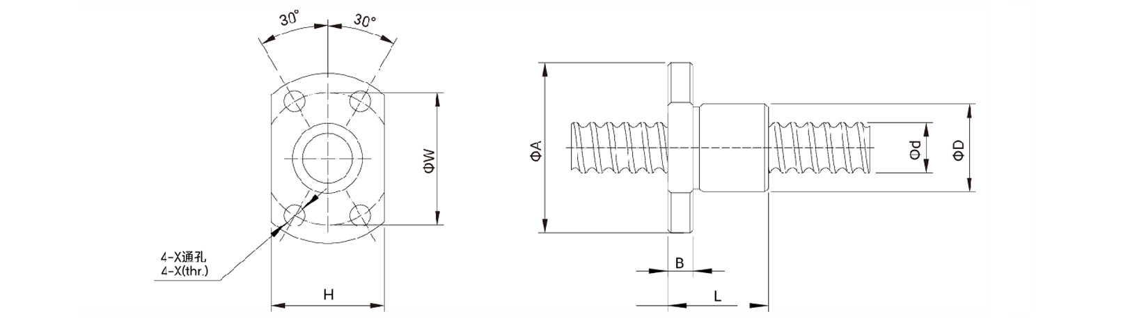
Parameters
| Model No. |
d |
I |
Da |
Dimension |
Load Rating |
Rigidity |
Weight |
| D |
A |
B |
L |
W |
H |
X |
Y |
Z |
Q |
n |
Ca(kgf) |
Coa(kgf) |
Kgf/um |
Kg |
| SFK0401 |
4 |
1 |
0.8 |
10 |
20 |
3 |
12 |
15 |
14 |
2.9 |
- |
- |
- |
1x2 |
64 |
97 |
5 |
0.024 |
| SFK0601 |
6 |
1 |
0.8 |
12 |
24 |
3.5 |
15 |
18 |
16 |
3.4 |
- |
- |
- |
1x3 |
111 |
224 |
9 |
0.018 |
| SFK0801 |
8 |
1 |
0.8 |
14 |
27 |
4 |
16 |
21 |
18 |
3.4 |
- |
- |
- |
1x4 |
161 |
403 |
14 |
0.027 |
| SFK0802 |
2 |
1.2 |
14 |
27 |
4 |
16 |
21 |
18 |
3.4 |
- |
- |
- |
1x3 |
222 |
458 |
13 |
0.026 |
| SFK082.5 |
2.5 |
1.2 |
16 |
29 |
4 |
26 |
23 |
20 |
3.4 |
- |
- |
- |
1x3 |
221 |
457 |
13 |
0.038 |
| SFK1002 |
10 |
2 |
1.2 |
18 |
35 |
5 |
28 |
27 |
22 |
4.5 |
- |
- |
- |
1x3 |
243 |
569 |
15 |
0.056 |
| SFK1004 |
4 |
2 |
26 |
46 |
10 |
34 |
36 |
28 |
4.5 |
8 |
4.5 |
M6 |
1x3 |
468 |
905 |
17 |
0.068 |
| SFK1202 |
12 |
2 |
1.2 |
20 |
37 |
5 |
28 |
29 |
24 |
4.5 |
- |
- |
- |
1x4 |
334 |
906 |
22 |
0.062 |
| SFK1402 |
14 |
2 |
1.2 |
21 |
40 |
6 |
23 |
31 |
26 |
5.5 |
- |
- |
- |
1x4 |
354 |
1053 |
24 |
0.081 |
| SFK1602 |
16 |
2 |
1.2 |
25 |
43 |
10 |
40 |
35 |
29 |
5.5 |
- |
- |
M6 |
1x4 |
373 |
1200 |
26 |
0.236 |
Drawings

Supports Product Combination Selection
Production Capacity
 |
Cyclone Milling Machines
LWN160-6000mm Leistritz Cyclone milling machines imported directly from Germany, the ball screw shaft precision can be C3, C5, and C7 the max length can be 7000mm |
Rolled Thread CNC Machines
PR-40CNC Profiroll rolled thread ball screw machines imported directly from Germany the ball screw shaft precision can be C5, C7 -C10 |

|
 |
Rolled Thread CNC Machines
ST-20.2 and ST-347.7 rolled thread ball screw machines from TaiWan. The ball screw shaft precision can be C7 - C10 |
Ball Screw Assembly Workshop
We conduct nut assembly in a constant temperature workshop, all workers having decades of work experience and zero clearance between the screw and nut. |
 |
 |
Ball Screw Assembly Workshop
One ball screw shaft matches one ball screw nut. Because each ball screw shaft has a very tiny different tolerance. There are dozens of different ball sizes for different screw shaft. Our ball screw shaft and nut can be interchanged with the Taiwan TBI ball screw shaft and nut very well. |