Main Technical Parameters and Design
High-performance design highlights:
Precise floating control: Although axial movement is allowed, the radial clearance of its internal bearings is strictly controlled, and preloaded or special clearance bearings may be used to achieve the best balance between "floating" and "support rigidity."
Cleanroom compatible design: The sealing system is not only dustproof but may also consider low volatility and chemical resistance characteristics to meet the clean environment requirements of semiconductor or medical equipment.
Thermal stability: Material selection and structural design fully consider thermal stability, ensuring that its own deformation is minimal during equipment temperature rise, and will not generate additional constraint forces on the ball screw.
Accuracy and compatibility:
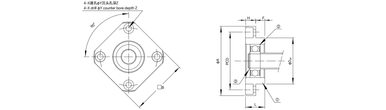
The geometric tolerances of its mounting surface (such as flatness and perpendicularity to the inner bore) are higher than those of the BF series.
The mounting hole spacing and flange dimensions are usually exactly the same as those of the corresponding FK series, achieving perfect matching and interchangeability.
Applications
The FF series and FK series "strong combination" is the standard support solution for the following applications:
Ultra-precision machining tools: Long-travel axes of high-precision CNC grinding machines, wire EDM machines, and mirror surface EDM machines.
Semiconductor and panel manufacturing: Silicon wafer or mask stage drive systems for lithography machines, and moving platforms for precision testing equipment.
High-end measuring equipment: Platform support for metrology-grade coordinate measuring machines and laser interferometers. Precision optical systems: Ground calibration platforms for space telescopes, and transmission systems for photolithography lens adjustment mechanisms.
The Floated side FF series ball screw bracket represents a profound evolution of floating end technology for ultra-precision applications. It addresses not only the issue of "allowing for thermal expansion," but more importantly, the challenge of "how to achieve thermal compensation with virtually zero negative impact." Together with the FK fixed end, it forms a complete, high-performance support solution without any shortcomings, providing a solid and intelligent foundation for the ultimate performance of the equipment.
Parameters
| Model No. |
Shaft Diameter d1 |
L |
H |
F |
Dg6 |
A |
PDC |
B |
X |
Y |
Z |
Bearing |
Using C-type Cramp Ring |
Weight (kg) |
| FF06 |
6 |
10 |
6 |
4 |
22 |
-0.007 -0.02 |
36 |
28 |
28 |
3.4 |
6.5 |
4 |
606ZZ |
S06 |
0.03 |
| FF10 |
8 |
12 |
7 |
5 |
28 |
-0.007 -0.02 |
43 |
35 |
35 |
3.4 |
6.5 |
4 |
608ZZ |
S08 |
0.05 |
| FF12 |
10 |
15 |
7 |
8 |
34 |
-0.009 -0.025 |
52 |
42 |
42 |
4.5 |
8 |
4 |
6000ZZ |
S10 |
0.09 |
| FF15 |
15 |
17 |
9 |
8 |
40 |
-0.009 -0.025 |
63 |
50 |
52 |
5.5 |
9.5 |
5.5 |
6002ZZ |
S15 |
0.16 |
| FF17 |
17 |
20 |
11 |
9 |
50 |
-0.009 -0.025 |
77 |
62 |
61 |
6.6 |
11 |
6.5 |
6203ZZ |
S17 |
0.29 |
| FF20 |
20 |
20 |
11 |
9 |
57 |
-0.010 -0.029 |
85 |
70 |
68 |
6.6 |
11 |
6.5 |
6004ZZ |
S20 |
0.38 |
| FF25 |
25 |
24 |
14 |
10 |
63 |
-0.010 -0.029 |
98 |
80 |
79 |
9 |
14 |
8.5 |
6205ZZ |
S25 |
0.56 |
| FF30 |
30 |
27 |
18 |
9 |
75 |
-0.010 -0.029 |
117 |
95 |
93 |
11 |
17.5 |
11 |
6206ZZ |
S30 |
0.94 |
| FF40 |
40 |
33 |
21 |
12 |
95 |
-0.012 -0.034 |
142 |
120 |
106 |
11 |
17.5 |
11 |
6208ZZ |
S40 |
1.45 |
Drawings

| Model No. |
Part Name |
Qty |
| 1 |
Housing |
1 |
| 2 |
Bearing |
1set |
| 3 |
Snap ring |
1 |