1. Main Technical Parameters and Design
Compact Design:
Uses an integrated cast or stamped housing, minimizing material usage and weight while ensuring rigidity.
The flange mounting hole layout is typically closer to the center, further reducing the overall installation envelope.
2. Core Function Guarantee:
Despite its compact size, it still uses angular contact bearings capable of withstanding bidirectional axial forces, ensuring that the core positioning and load-bearing functions of the fixed end are not compromised.
Equipped with a standard locking nut (RN series) interface for reliable locking with the ball screw shaft end.
3. Sealing and Compatibility:
Equipped with basic contact seals to meet the protection requirements of conventional industrial environments.
Its inner bore size and shaft end fit tolerances comply with general standards, allowing direct compatibility with ball screws from mainstream brands.
Applications
The Fixed Side EK Series Ball Screw Bracket is an excellent choice for applications with specific space and cost requirements:
Desktop and small-scale equipment: Feed axes for desktop CNC engraving machines, small laser cutting machines, and high-precision 3D printers.
Educational and research instruments: Teaching demonstration platforms, precision displacement slides for laboratory use.
Lightweight automation: Small assembly robots, dispensing machines in the electronics industry, and transmission support for SMT peripheral equipment.
Modification or integration projects with extremely limited space.
The Fixed Side EK Series Ball Screw Bracket is a prime example of engineering sophistication and cost optimization. It proves that high-performance fixed support functions are not always associated with "large" and "expensive." Choosing the EK series means you can build equally stable and reliable transmission systems for small and medium-sized precision equipment with a simpler mechanical structure and more economical investment. It provides a convenient bridge for equipment manufacturers, especially innovative small and medium-sized enterprises, to integrate high-precision linear motion into their products.
Parameters
| Model No. |
Shaft Diameter d1 |
L |
L1 |
L2 |
L3 |
B |
H |
b ±0.02 |
h ±0.02 |
B1 |
H1 |
P |
X |
Y |
Z |
M |
T |
Bearing |
Weight (kg) |
| EK05 |
5 |
16.5 |
5.5 |
18.5 |
3.5 |
36 |
21 |
18 |
11 |
20 |
8 |
28 |
4.5 |
- |
- |
M3 |
11 |
605ZZ |
0.18 |
| EK06 |
6 |
20 |
5.5 |
22 |
3.5 |
42 |
25 |
21 |
13 |
18 |
20 |
30 |
5.5 |
9.5 |
11 |
M3 |
12 |
606/706ZZ |
0.20 |
| EK08 |
8 |
23 |
7 |
26 |
4 |
52 |
32 |
26 |
17 |
25 |
26 |
38 |
6.6 |
11 |
12 |
M3 |
14 |
608/708ZZ |
0.22 |
| EK10 |
10 |
24 |
6 |
29.5 |
6 |
70 |
43 |
35 |
25 |
36 |
24 |
52 |
9 |
- |
- |
M3 |
16 |
6000/7000ZZ |
0.4 |
| EK12 |
12 |
24 |
6 |
29.5 |
6 |
70 |
43 |
35 |
25 |
36 |
24 |
52 |
9 |
- |
- |
M4 |
19 |
6001/7001ZZ |
0.4 |
| EK15 |
15 |
25 |
6 |
36 |
5 |
80 |
49 |
40 |
30 |
41 |
25 |
60 |
11 |
- |
- |
M4 |
22 |
6002/7002ZZ |
0.5 |
| EK20 |
20 |
42 |
10 |
50 |
10 |
95 |
58 |
47.5 |
30 |
56 |
25 |
75 |
11 |
- |
- |
M4 |
30 |
6204/7204ZZ |
1.24 |
| EK25 |
25 |
48 |
12 |
59 |
14 |
105 |
68 |
52.5 |
35 |
66 |
25 |
85 |
11 |
- |
- |
M6 |
35 |
6205/7205ZZ |
1.92 |
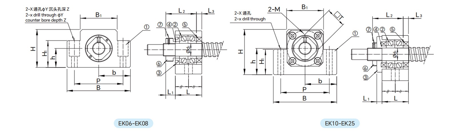
Drawings

| Model No. |
Part Name |
Qty |
| 1 |
Housing |
1 |
| 2 |
Bearing |
1set |
| 3 |
Holding lid |
1 |
| 4 |
Collar |
2 |
| 5 |
Seal |
1(2) |
| 6 |
Lock nut |
1 |
| 7 |
Hexagon socket-head Setscrew(With set piece) |
2 |