Main Technical Parameters and Design
Performance Enhancement Design:
Precision Bearing Assembly: The core typically uses two rows of ultra-precision angular contact ball bearings (back-to-back DB arrangement), with a potentially larger contact angle (such as 40° or 45°) to provide stronger axial rigidity.
Integrated Precision Machining: The housing adopts an integrated design, with the inner bore, end face, and bearing mounting surface processed with high-precision single-setup machining, ensuring extremely high coaxiality and perpendicularity, reducing system errors.
Enhanced Sealing: Integrated multi-layer or labyrinth sealing structure effectively prevents the intrusion of coolant, fine chips, and dust, adapting to harsher machine tool internal environments.
Precision and Compatibility: The axial runout accuracy of the ball screw is usually controlled more strictly than the BK series. Although the performance is higher, its mounting interface (flange hole spacing, shaft end mating dimensions) is often compatible with the same specifications of the BK/BF series, facilitating equipment upgrades.
Mounting Form: It also uses a square flange type, but the flange thickness and shape may be more optimized to achieve stable mounting in a compact space.
Applications
The FK series is the ideal choice for high-end equipment that demands ultimate performance and reliability. Typical applications include:
Ultra-precision machine tools: High-precision CNC grinding machines, coordinate boring machines, and the spindle feed or critical linear axes of high-end machining centers.
Semiconductor and panel manufacturing: Lithography machine workbenches, precision bonding machines, and transmission support for OLED evaporation equipment.
Precision measurement and inspection: Ultra-high-precision coordinate measuring machines, roundness testers, and optical inspection platforms. High-speed, high-precision direct drive system: Used in conjunction with linear motors, it serves as a high-rigidity, high-response fixed reference point.
The Fixed side FK series ball screw bracket represents the advanced level of support bearing technology. It not only fulfills the basic function of "support," but is also designed to maximize the precision and performance potential of the ball screw. Choosing the FK series means equipping your top-tier equipment with a robust, precise, and reliable "motion heart," a crucial element in building core competitive advantages, especially for industries where processing accuracy, production yield, and equipment uptime are critical.
Parameters
| Model No. |
Shaft Diameter d1 |
L |
H |
F |
E |
Dg6 |
A |
PDC |
B |
A |
X |
Y |
Z |
M |
T |
Bearing |
Weight (kg) |
| L1 |
T1 |
| FK05 |
5 |
16.5 |
6 |
10.5 |
18.5 |
20 |
-0.007 -0.02 |
34 |
26 |
26 |
5.5 |
3.5 |
3.4 |
6.5 |
4 |
M3 |
11 |
605ZZ |
0.18 |
| FK06 |
6 |
20 |
7 |
13 |
22 |
22 |
-0.007 -0.02 |
36 |
28 |
28 |
5.5 |
3.5 |
3.4 |
6.5 |
4 |
M3 |
12 |
606/706ZZ |
0.20 |
| FK08 |
8 |
23 |
9 |
14 |
26 |
28 |
-0.007 -0.02 |
43 |
35 |
35 |
7 |
4 |
3.4 |
6.5 |
4 |
M3 |
14 |
608/708ZZ |
0.22 |
| FK10 |
10 |
27 |
10 |
17 |
29.5 |
34 |
-0.009 -0.025 |
52 |
42 |
42 |
7.5 |
5 |
4.5 |
8 |
4 |
M3 |
16 |
6000/7000ZZ |
0.21 |
| FK12 |
12 |
27 |
10 |
17 |
29.5 |
36 |
-0.009 -0.025 |
54 |
44 |
44 |
7.5 |
5 |
4.5 |
8 |
4 |
M4 |
19 |
6001/7001ZZ |
0.23 |
| FK15 |
15 |
32 |
15 |
17 |
36 |
40 |
-0.009 -0.025 |
63 |
50 |
52 |
10 |
6 |
5.5 |
9.5 |
6 |
M4 |
22 |
6002/7002ZZ |
0.34 |
| FK17 |
17 |
45 |
22 |
23 |
47 |
50 |
-0.009 -0.025 |
77 |
62 |
61 |
11 |
9 |
6.6 |
11 |
10 |
M4 |
24 |
6203/7203ZZ |
0.73 |
| FK20 |
20 |
52 |
22 |
30 |
50 |
57 |
-0.010 -0.029 |
86 |
70 |
68 |
8 |
10 |
6.6 |
11 |
10 |
M4 |
30 |
6204/7204ZZ |
1.02 |
| FK25 |
25 |
57 |
27 |
30 |
60 |
63 |
-0.010 -0.029 |
98 |
80 |
79 |
13 |
10 |
9 |
15 |
13 |
M6 |
35 |
6205/7205ZZ |
1.42 |
| FK30 |
30 |
62 |
30 |
32 |
61 |
75 |
-0.010 -0.029 |
117 |
95 |
93 |
11 |
12 |
11 |
17.5 |
15 |
M6 |
40 |
6206/7206ZZ |
2.18 |
| FK40 |
40 |
74 |
32 |
42 |
76 |
95 |
-0.012 -0.034 |
142 |
120 |
106 |
20 |
16 |
11 |
17.5 |
15 |
M6 |
50 |
6208/7208ZZ |
3.49 |
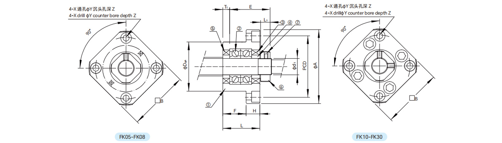
Drawings

| Model No. |
Part Name |
Qty |
| 1 |
Housing |
1 |
| 2 |
Bearing |
1set |
| 3 |
Holding lid |
1 |
| 4 |
Collar |
2 |
| 5 |
Seal |
2 |
| 6 |
Lock nut |
1set |
| 7 |
Hexagon socket-head Setscrew(With set piece) |
2 |