Core Advantages at a Glance:
High Rigidity, Zero Backlash:Applying preload between the two nuts completely eliminates axial clearance, achieving backlash-free transmission and significantly improving system rigidity. This allows it to maintain extremely high positioning stability even under bidirectional loads.
Higher Load Capacity and Longer Life: Compared to single-nut structures, the dual-nut design significantly increases rated load capacity and lifespan by increasing the number of load-bearing balls.
High Precision and Sensitivity: Utilizing an internal circulation design, the compact structure ensures high precision and enables micro-feeding accurate to 0.1 micrometers. Its drive torque is only about one-third that of a sliding screw, resulting in sensitive and efficient movement.
Typical Applications:
Thanks to the above advantages, the DFU series is particularly suitable for:
Feed axes of high-precision CNC machine tools.
Semiconductor manufacturing equipment and precision testing instruments.
Key transmission joints of industrial robots.
Modules that require precise positioning in automated production lines.
Parameters
| Model No. |
d |
l |
Da |
Dimension |
Load Rating |
Rigidity |
Weight |
| D |
A |
B |
L |
W |
H |
X |
Q |
n |
Ca(kgf) |
Coa(kgf) |
Kgf/μm |
Kg |
| DFU1604-4 |
16 |
4 |
2.381 |
28 |
48 |
10 |
80 |
38 |
40 |
5.5 |
M6 |
1x4 |
973 |
2406 |
43 |
0.308 |
| DFU1605-4 |
5 |
3.175 |
28 |
48 |
10 |
100 |
38 |
40 |
5.5 |
M6 |
1x4 |
1380 |
3052 |
44 |
0.27 |
| DFU1610-3 |
10 |
3.175 |
28 |
48 |
10 |
118 |
38 |
40 |
5.5 |
M6 |
1x3 |
1103 |
2401 |
35 |
0.33 |
| DFU2004-4 |
20 |
4 |
2.381 |
36 |
58 |
10 |
80 |
47 |
44 |
6.6 |
M6 |
1x4 |
1066 |
2987 |
51 |
0.48 |
| DFU2005-4 |
5 |
3.175 |
36 |
58 |
10 |
101 |
47 |
44 |
6.6 |
M6 |
1x4 |
1551 |
3875 |
53 |
0.512 |
| DFU2504-4 |
25 |
4 |
2.381 |
40 |
62 |
10 |
80 |
51 |
48 |
6.6 |
M6 |
1x4 |
1180 |
3795 |
60 |
0.548 |
| DFU2505-4 |
5 |
3.175 |
40 |
62 |
10 |
101 |
51 |
48 |
6.6 |
M6 |
1x4 |
1724 |
4904 |
62 |
0.532 |
| DFU2510-4 |
10 |
4.762 |
40 |
62 |
12 |
145 |
51 |
48 |
6.6 |
M6 |
1×4 |
2954 |
7295 |
67 |
0.808 |
| DFU3204-4 |
32 |
4 |
2.381 |
50 |
80 |
12 |
80 |
65 |
62 |
9 |
M6 |
1x4 |
1296 |
4838 |
71 |
0.956 |
| DFU3205-4 |
5 |
3.175 |
50 |
80 |
12 |
102 |
65 |
62 |
9 |
M6 |
1x4 |
1922 |
6343 |
74 |
0.946 |
| DFU3210-4 |
10 |
6.35 |
50 |
80 |
12 |
162 |
65 |
62 |
9 |
M6 |
1x4 |
4805 |
12208 |
82 |
1.278 |
| DFU4005-4 |
40 |
5 |
3.175 |
63 |
93 |
14 |
105 |
78 |
70 |
9 |
M8 |
1x4 |
2110 |
7988 |
87 |
1.486 |
| DFU4010-4 |
10 |
6.35 |
63 |
93 |
14 |
165 |
78 |
70 |
9 |
M8 |
1x4 |
5399 |
15500 |
99 |
2.18 |
| DFU5010-4 |
50 |
10 |
6.35 |
75 |
110 |
16 |
171 |
93 |
85 |
11 |
M8 |
1x4 |
6004 |
19614 |
117 |
3.052 |
| DFU5020-4 |
20 |
7.144 |
75 |
110 |
16 |
280 |
93 |
85 |
11 |
M8 |
1x4 |
7142 |
22588 |
126 |
4.200 |
| DFU6310-4 |
63 |
10 |
6.35 |
90 |
125 |
18 |
182 |
108 |
95 |
11 |
M8 |
1x4 |
6719 |
25358 |
139 |
4.175 |
| DFU6320-4 |
20 |
9.525 |
95 |
135 |
20 |
290 |
115 |
100 |
13.5 |
M8 |
1x4 |
11444 |
36653 |
152 |
8.362 |
| DFU8010-4 |
80 |
10 |
6.35 |
105 |
145 |
20 |
182 |
125 |
110 |
13.5 |
M8 |
1x4 |
7346 |
31953 |
156 |
4.806 |
| DFU8020-4 |
20 |
9.525 |
125 |
165 |
25 |
295 |
145 |
130 |
13.5 |
M8 |
1x4 |
12911 |
47747 |
187 |
16.66 |
| DFU10020-4 |
100 |
20 |
9.525 |
150 |
202 |
30 |
340 |
170 |
155 |
17.5 |
M8 |
1x4 |
14303 |
60698 |
222 |
26.4 |
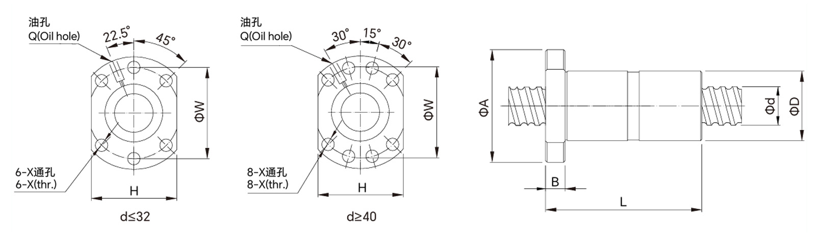
Drawings
Supports Product Combination Selection
Production Capacity
 |
Cyclone Milling Machines
LWN160-6000mm Leistritz Cyclone milling machines imported directly from Germany, the ball screw shaft precision can be C3, C5, and C7 the max length can be 7000mm |
Rolled Thread CNC Machines
PR-40CNC Profiroll rolled thread ball screw machines imported directly from Germany the ball screw shaft precision can be C5, C7 -C10 |

|
 |
Rolled Thread CNC Machines
ST-20.2 and ST-347.7 rolled thread ball screw machines from TaiWan. The ball screw shaft precision can be C7 - C10 |
Ball Screw Assembly Workshop
We conduct nut assembly in a constant temperature workshop, all workers having decades of work experience and zero clearance between the screw and nut. |
 |
 |
Ball Screw Assembly Workshop
One ball screw shaft matches one ball screw nut. Because each ball screw shaft has a very tiny different tolerance. There are dozens of different ball sizes for different screw shaft. Our ball screw shaft and nut can be interchanged with the Taiwan TBI ball screw shaft and nut very well. |