Main Technical Parameters and Design
Core Structure:
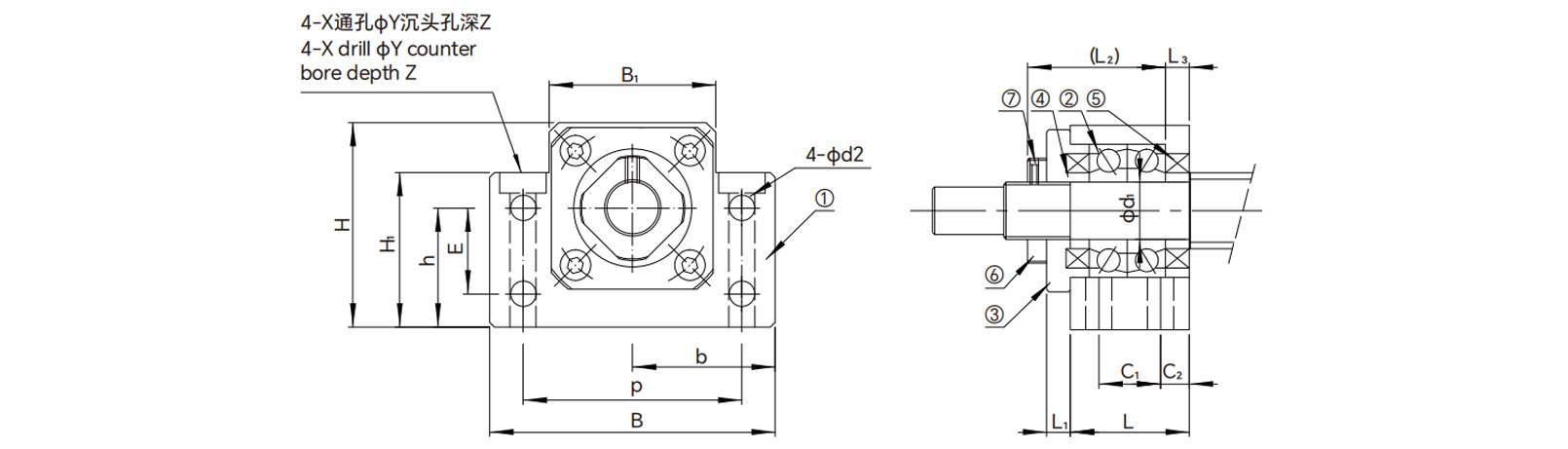
Bearing Configuration: Standard configuration is two rows of angular contact ball bearings (40° contact angle, back-to-back DB configuration), providing optimal overturning moment rigidity and axial rigidity.
Sealing and Lubrication: Equipped with contact seals to prevent external contaminants from entering and maintain internal grease. High-performance grease is pre-filled at the factory.
Locking Mechanism: The ball screw shaft end is securely locked to the inner ring of the bearing using a matching locking nut (such as the RN series) and anti-loosening washer, achieving slip-free torque transmission.
Accuracy and Compatibility: Bearings are typically P5 or higher precision grade, ensuring high rotational accuracy of the support unit itself.
Completely compatible with standard metric ball screw shaft end machining dimensions (such as shoulders and threads machined according to JIS standards), enabling standardized and trouble-free installation.
Mounting Form: Typically provides a square flange mounting, with several evenly distributed bolt holes on the flange for secure mounting on the equipment side wall or base.
Applications
The BK series is an essential basic unit for all high-precision, high-rigidity equipment using ball screws, and is widely used in:
CNC Machine Tools: Drive ends of various linear axes in machining centers, lathes, milling machines, etc.
Precision Automation Equipment: Laser cutting machines, injection molding machines, robot seventh axis, high-precision positioning platforms.
Semiconductor and Testing Equipment: Photolithography machines, pick-and-place machines, coordinate measuring machines. Any scenario requiring the precise conversion of rotary servo motor torque into stable linear motion.
The fixed-side BK series ball screw bracket is far more than just a simple "bearing housing." It is the cornerstone of the ball screw drive system, providing a rigid foundation and precise starting point for the entire motion system. Choosing a high-quality BK series bracket lays the most solid foundation for the positioning accuracy, repeatability, and long-term operational stability of your equipment. It represents a fundamental commitment to reliability and performance.
Parameters
| Model No. |
Shaft Diameter d1 |
L |
L1 |
L2 |
L3 |
B |
H |
b ±0.02 |
h ±0.02 |
B1 |
H1 |
E |
P |
C1 |
C2 |
d2 |
X |
Y |
Z |
M |
T |
Bearing |
Weight (kg) |
| BK10 |
10 |
25 |
5 |
29 |
5 |
60 |
39 |
30 |
22 |
34 |
32.5 |
15 |
46 |
13 |
6 |
5.5 |
6.6 |
10.8 |
5 |
M3 |
16 |
6000/7000ZZ |
0.36 |
| BK12 |
12 |
25 |
5 |
29 |
5 |
60 |
43 |
30 |
25 |
34 |
32.5 |
18 |
46 |
13 |
6 |
5.5 |
6.6 |
10.8 |
1.5 |
M4 |
19 |
6001/7001ZZ |
0.4 |
| BK15 |
15 |
27 |
6 |
32 |
6 |
70 |
48 |
35 |
28 |
40 |
38 |
18 |
54 |
15 |
6 |
5.5 |
6.6 |
11 |
6.5 |
M4 |
22 |
6002/7002ZZ |
0.46 |
| BK17 |
17 |
35 |
9 |
44 |
7 |
86 |
64 |
43 |
39 |
50 |
55 |
28 |
68 |
19 |
8 |
6.6 |
9 |
14 |
8.5 |
M4 |
24 |
6203/7203ZZ |
1.22 |
| BK20 |
20 |
35 |
8 |
43 |
8 |
88 |
60 |
44 |
34 |
52 |
50 |
22 |
70 |
19 |
8 |
6.6 |
9 |
14 |
8.5 |
M4 |
30 |
6004/7004ZZ |
1.22 |
| BK25 |
25 |
42 |
12 |
54 |
9 |
106 |
80 |
53 |
48 |
64 |
70 |
33 |
85 |
22 |
10 |
9 |
11 |
17.5 |
11 |
M6 |
35 |
6205/7205ZZ |
2.22 |
| BK30 |
30 |
45 |
14 |
61 |
9 |
128 |
89 |
64 |
51 |
76 |
78 |
33 |
102 |
23 |
11 |
11 |
14 |
20 |
13 |
M6 |
40 |
6206/7206ZZ |
3.18 |
| BK35 |
35 |
50 |
14 |
67 |
12 |
140 |
96 |
70 |
52 |
88 |
79 |
35 |
114 |
26 |
12 |
11 |
14 |
20 |
13 |
M6 |
50 |
6207/7207ZZ |
4.12 |
| BK40 |
40 |
61 |
18 |
76 |
15 |
160 |
110 |
80 |
60 |
100 |
90 |
37 |
130 |
33 |
14 |
14 |
18 |
26 |
17.5 |
M6 |
50 |
6208/7208ZZ |
6.5 |
| BK50 |
50 |
70 |
23 |
93 |
25 |
170 |
130 |
85 |
70 |
106 |
95 |
40 |
138 |
42 |
14 |
14 |
18 |
26 |
18 |
M8 |
60 |
6210/7210ZZ |
9.16 |
| BK50-1 |
50 |
65 |
15 |
93 |
18 |
180 |
120 |
90 |
65 |
110 |
100 |
- |
150 |
37 |
14 |
14 |
18 |
26 |
18 |
M8 |
60 |
6210/7210ZZ |
9.16 |
| BK60 |
60 |
65 |
15 |
- |
15 |
190 |
130 |
95 |
70 |
120 |
105 |
- |
155 |
33 |
- |
- |
18 |
26 |
18 |
M8 |
70 |
6212/7212ZZ |
12 |
Drawings

| Model No. |
Part Name |
Qty |
| 1 |
Housing |
1 |
| 2 |
Bearing |
1set |
| 3 |
Holding lid |
1 |
| 4 |
Collar |
2 |
| 5 |
Seal |
1(2) |
| 6 |
Lock nut |
1 |
| 7 |
Hexagon socket-head Setscrew(With set piece) |
2 |