Main Technical Parameters and Design
1. Miniaturization Engineering Challenges:
Precision miniature bearings: Uses extremely small angular contact bearings, requiring extremely high manufacturing precision to provide sufficient rigidity in a small space.
Space optimization: The design often omits traditional external locking nuts, instead using set screws to directly lock the ball screw shaft on the side wall of the support base, or using ultra-thin nuts to save every millimeter of axial space.
Lightweight materials: The housing may use lightweight materials such as aluminum alloy to achieve maximum weight reduction while ensuring rigidity.
2. Functional Assurance:
Despite its compact structure, it provides reliable bidirectional axial positioning, serving as an absolute benchmark for miniature ball screw systems.
Features basic dustproof design, such as O-rings or miniature sealing lips, suitable for laboratory or clean environments.
3. Installation Characteristics:
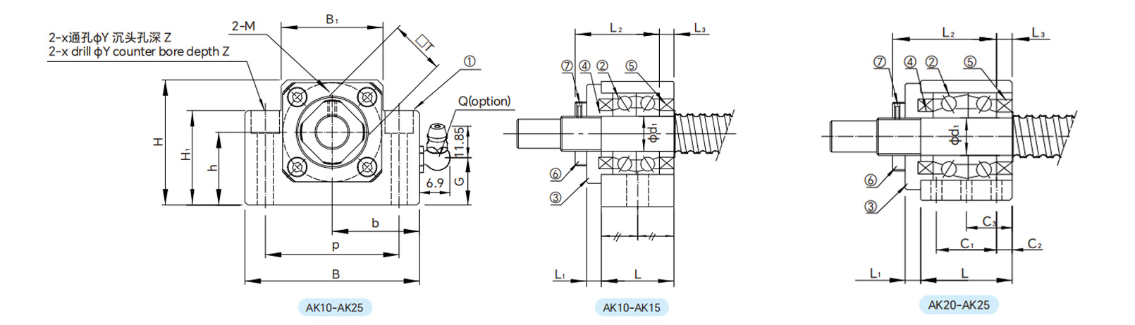
The mounting flange is typically small and circular or square, with fine-pitch small-size screw holes, suitable for mounting on thin-walled or precision brackets.
Requires extremely high flatness and perpendicularity of the mounting surface, as small installation errors are magnified in miniature systems.
Applications
The Fixed Side AK Series Ball Screw Bracket is an indispensable core component in the following cutting-edge miniaturization fields:
Miniature robotics: Joint drive fixed ends for surgical robots, cell manipulation robots, and biomimetic miniature robots.
Precision optics and photonics: Precision displacement adjustment mechanisms inside fiber optic splicing machines, optical switches, and tunable lasers. Semiconductor and MEMS Packaging: Chip mounting equipment, micro-dispensing machine micro-positioning platforms.
High-end Instrumentation: Scanning probe microscopes, spectrometer slit adjustment mechanisms.
The Fixed Side AK Series Ball Screw Bracket is a milestone in the miniaturization of precision machinery. It proves that even when scaled down to the extreme, the pursuit of rigidity, precision, and reliability cannot be compromised. Choosing the AK series means you are challenging the size limits of mechanical design and injecting professional-grade, highly reliable "cornerstone" components into your miniature devices. It is not only a support base for miniature ball screws but also the key to unlocking precise motion control in the microscopic world.
Parameters
| Model No. |
Shaft Diameter d1 |
L |
L1 |
L2 |
L3 |
B |
H |
b ±0.02 |
h ±0.02 |
B1 |
H1 |
P |
X |
Y |
Z |
M |
T |
C1 |
C2 |
C3 |
G |
Q |
Bearing |
Weight (kg) |
| AK10 |
10 |
24 |
6 |
29.5 |
6 |
70 |
43 |
35 |
25 |
36 |
35 |
52 |
9 |
14 |
11 |
M3 |
16 |
- |
- |
- |
20 |
M6 |
6000/7000ZZ |
0.5 |
| AK12 |
12 |
24 |
6 |
29.5 |
6 |
70 |
43 |
35 |
25 |
36 |
35 |
52 |
9 |
14 |
11 |
M4 |
19 |
- |
- |
- |
20 |
M6 |
6001/7001zz |
0.5 |
| AK15 |
15 |
25 |
6 |
36 |
5 |
80 |
49 |
40 |
30 |
41 |
40 |
60 |
11 |
17 |
15 |
M4 |
22 |
- |
- |
- |
21 |
M6 |
6002/7002zz |
0.62 |
| AK20 |
20 |
42 |
10 |
50 |
10 |
95 |
58 |
47.5 |
30 |
56 |
45 |
75 |
11 |
17 |
15 |
M4 |
30 |
22 |
10 |
- |
24 |
M6 |
6204/7204zz |
1.43 |
| AK25 |
25 |
48 |
12 |
59 |
14 |
105 |
68 |
52.5 |
35 |
66 |
25 |
85 |
11 |
- |
- |
M6 |
35 |
30 |
9 |
24 |
58 |
- |
6205/7205zz |
1.92 |
Drawings

| Model No. |
Part Name |
Qty |
| 1 |
Housing |
1 |
| 2 |
Bearing |
1set |
| 3 |
Holding lid |
1 |
| 4 |
Collar |
2 |
| 5 |
Seal |
2 |
| 6 |
Lock nut |
1set |
| 7 |
Hexagon socket-head Setscrew(With set piece) |
2 |